EasyManua.ls Logo

CAME BPT MTM AUDIO ENTRY KIT - Mtm Video Keypad > Xts 7 Video

CAME BPT MTM AUDIO ENTRY KIT
32 pages
Print Icon
To Next Page IconTo Next Page
To Next Page IconTo Next Page
To Previous Page IconTo Previous Page
To Previous Page IconTo Previous Page
Loading...
19
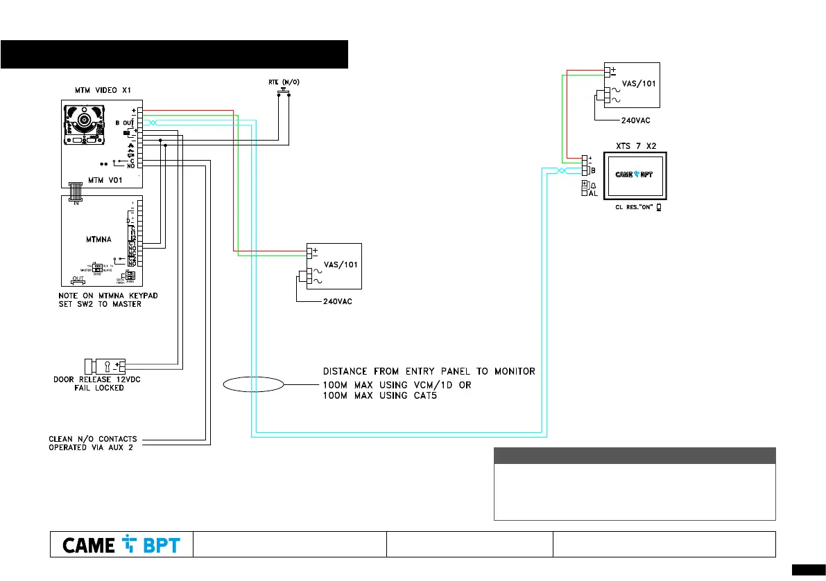
DRAWING SUITABLE FOR X1 KITS
DRAWING SUITABLE
FOR X1 KITS
VRWSK7XW1
VRWFK7XW1
VRWSK7XB1
VRWFK7XB1
MTMSK7XW1
MTMFK7XW1
MTMSK7XB1
MTMFK7XB1
MTMSVRK7XW1
MTMFVRK7XW1
MTMSVRK7XB1
MTMFVRK7XB1
Technical Support: 01442 230 800 Email: technical@bpt.co.uk Drawing No. KIT-1M1XTSCK
MTM VIDEO KEYPAD > XTS 7 VIDEO

Related product manuals