EasyManua.ls Logo

CAME BPT MTM AUDIO ENTRY KIT - 4 Mtm Audio Keypad > Agata Audio

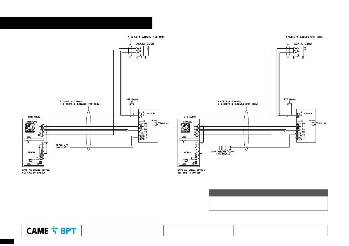
CAME BPT MTM AUDIO ENTRY KIT
32 pages
Print Icon
To Next Page IconTo Next Page
To Next Page IconTo Next Page
To Previous Page IconTo Previous Page
To Previous Page IconTo Previous Page
Loading...
4
DRAWING SUITABLE FOR X1 KITS
DRAWING SUITABLE
FOR X1 KITS
VRWSKAG1
VRWFKAG1
MTMSKAG1
MTMFKAG1
MTMSVRKAG1
MTMFVRKAG1
Technical Support: 01442 230 800 Email: technical@bpt.co.uk Drawing No. KIT-1MA1LCK(AUD)
MTM AUDIO KEYPAD > AGATA AUDIO

Related product manuals