EasyManua.ls Logo

CAME BPT MTM AUDIO ENTRY KIT - 5 Mtm Audio > Agata Audio 2 Way

CAME BPT MTM AUDIO ENTRY KIT
32 pages
Print Icon
To Next Page IconTo Next Page
To Next Page IconTo Next Page
To Previous Page IconTo Previous Page
To Previous Page IconTo Previous Page
Loading...
5
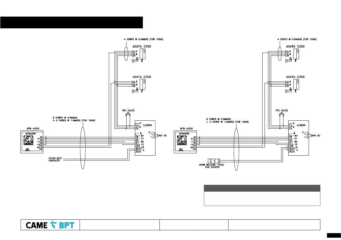
DRAWING SUITABLE FOR SYSTEM 200 KITS
DRAWING SUITABLE
FOR X1 KITS
VRWSAG2
VRWFAG2
MTMSAG2
MTMFAG2
MTMSVRAG2
MTMFVRAG2
Technical Support: 01442 230 800 Email: technical@bpt.co.uk Drawing No. KIT-2MA2LC(AUD)
MTM AUDIO > AGATA AUDIO 2 WAY

Related product manuals