EasyManua.ls Logo

CAME BPT MTM AUDIO ENTRY KIT - Mtm Video Keypad > Xts 7 Video 2 Way

CAME BPT MTM AUDIO ENTRY KIT
32 pages
Print Icon
To Next Page IconTo Next Page
To Next Page IconTo Next Page
To Previous Page IconTo Previous Page
To Previous Page IconTo Previous Page
Loading...
21
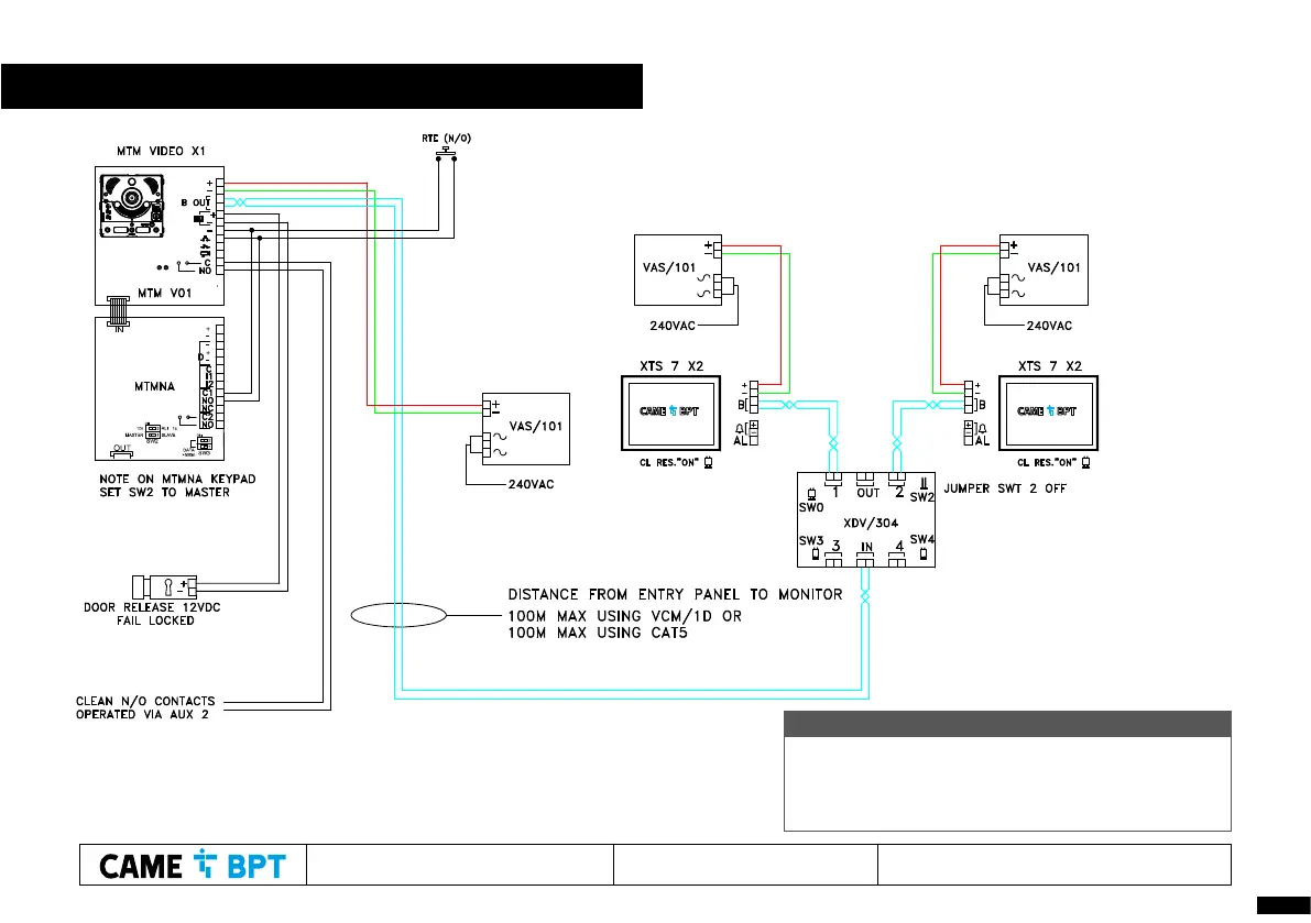
DRAWING SUITABLE FOR SYSTEM X1 KITS
DRAWING SUITABLE
FOR X1 KITS
VRWSK7XW2
VRWFK7XW2
VRWSK7XB2
VRWFK7XB2
MTMSK7XW2
MTMFK7XW2
MTMSK7XB2
MTMFK7XB2
MTMSVRK7XW2
MTMFVRK7XW2
MTMSVRK7XB2
MTMFVRK7XB2
Technical Support: 01442 230 800 Email: technical@bpt.co.uk Drawing No. KIT-2M1XTS2CK
MTM VIDEO KEYPAD > XTS 7 VIDEO 2 WAY

Related product manuals