EasyManua.ls Logo

CAME BPT MTM AUDIO ENTRY KIT - 7 Mtm Video > Agata Video

CAME BPT MTM AUDIO ENTRY KIT
32 pages
Print Icon
To Next Page IconTo Next Page
To Next Page IconTo Next Page
To Previous Page IconTo Previous Page
To Previous Page IconTo Previous Page
Loading...
7
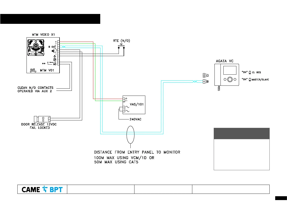
DRAWING SUITABLE
FOR X1 KITS
DRAWING SUITABLE
FOR X1 KITS
VRWSAGCV1
VRWFAGCV1
MTMSAGCV1
MTMFAGCV1
MTMSVRAGCV1
MTMFVRAGCV1
Technical Support: 01442 230 800 Email: technical@bpt.co.uk Drawing No. KIT-1M1A1C
MTM VIDEO > AGATA VIDEO

Related product manuals