EasyManua.ls Logo

CAME BPT MTM AUDIO ENTRY KIT - 3 Mtm Audio > Agata Audio

CAME BPT MTM AUDIO ENTRY KIT
32 pages
Print Icon
To Next Page IconTo Next Page
To Next Page IconTo Next Page
To Previous Page IconTo Previous Page
To Previous Page IconTo Previous Page
Loading...
3
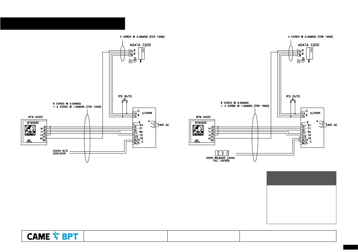
DRAWING SUITABLE
FOR SYSTEM 200 KITS
DRAWING SUITABLE
FOR X1 KITS
VRWSAG1
VRWFAG1
MTMSAG1
MTMFAG1
MTMSVRAG1
MTMFVRAG1
Technical Support: 01442 230 800 Email: technical@bpt.co.uk Drawing No. KIT-1M1A1LC(AUD)
MTM AUDIO > AGATA AUDIO

Related product manuals