EasyManua.ls Logo

Canberra Lynx DSA - System Connections for a Detector

Canberra Lynx DSA
235 pages
Print Icon
To Next Page IconTo Next Page
To Next Page IconTo Next Page
To Previous Page IconTo Previous Page
To Previous Page IconTo Previous Page
Loading...
Chapter 4 System Setup
62 Lynx DSA User's Manual - 9240227J
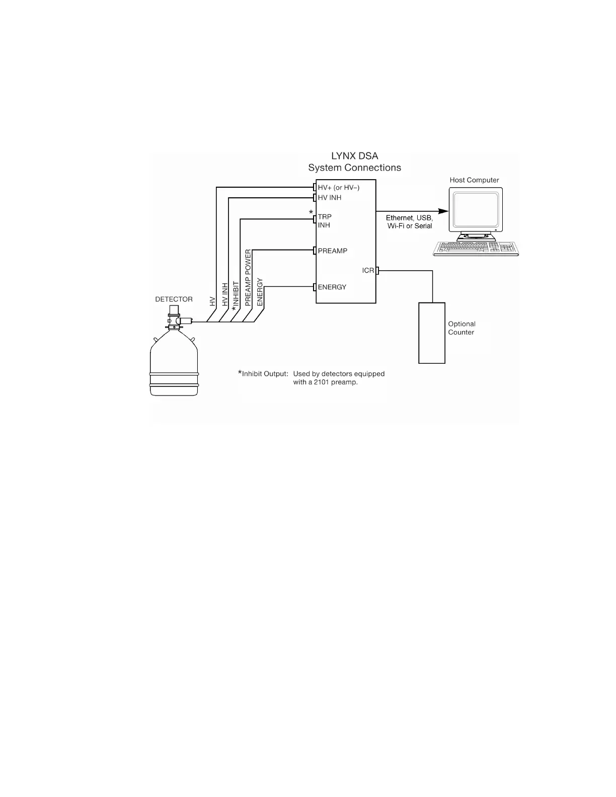
System Connections for a Detector
This describes a basic system consisting of a Lynx, a CANBERRA Germanium
Detector and its Preamplifier (or preamp), and a PC running Genie 2000, Apex, or
ProSpect.
Figure 32: Typical Lynx System Connections with a Detector

Table of Contents

Related product manuals