EasyManua.ls Logo

Canon iPF780 Series - Purge Unit

Canon iPF780 Series
326 pages
Print Icon
To Next Page IconTo Next Page
To Next Page IconTo Next Page
To Previous Page IconTo Previous Page
To Previous Page IconTo Previous Page
Loading...
Chapter 4
4-21
4.3.7 Purge Unit
0027-9564
a) Purge Unit
Removing the Purge Unit
1) Unlock the carriage unit, and then move the carriage onto the platen. Refer to "Disassembly/Reassembly > Points to Note on Disassembly and Reassembly >
Opening the Cap/Moving the Wiper Unit".
2) Remove the right cover.
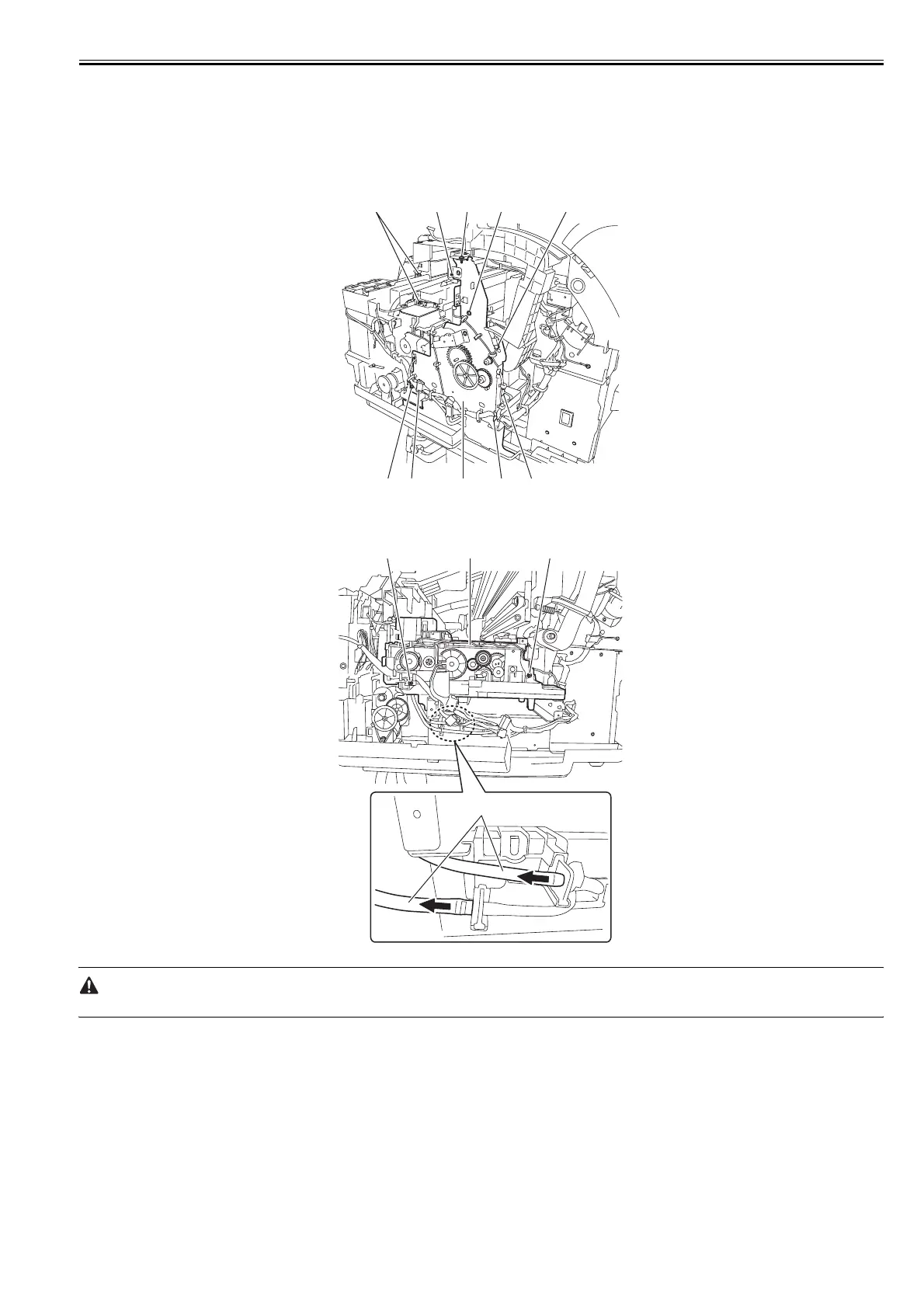
3) Remove five screws [1] and disconnect five connectors [2], and then remove the cable from the cable guide to remove the right side plate unit [3].
F-4-39
4) Remove two screws [1] and two waste ink tubes [2], the cable from the cable guide, and then remove the purge unit [3].
F-4-40
Remove the waste ink tubes carefully so that ink does not spout.
[2] [1] [1] [1] [2]
[1] [2] [3] [1] [2]
[1] [3] [1]
[2]

Table of Contents

Other manuals for Canon iPF780 Series

Related product manuals