EasyManua.ls Logo

Canon iPF780 Series - Electrical Part

Canon iPF780 Series
326 pages
Print Icon
To Next Page IconTo Next Page
To Next Page IconTo Next Page
To Previous Page IconTo Previous Page
To Previous Page IconTo Previous Page
Loading...
2-10
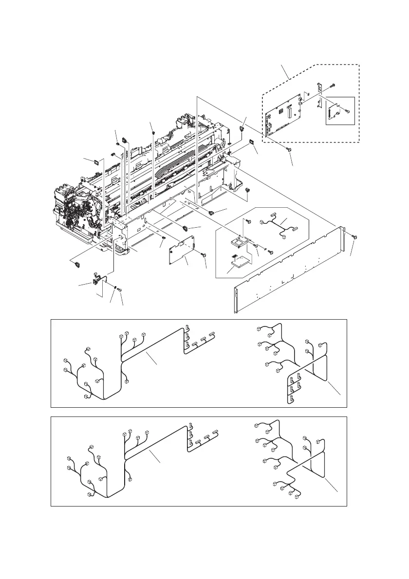
FIGURE 04
ELECTRICAL PART
(CN1)
iPF786/785
/765/755
(J42)
(J47)
(J31)
(J51)
(J24)
(J30)
(J53)
(J52)
(J37)
(J41)
(J50)
(J39)
(J54)
(J3201)
(J3202)
(J2601)
(J3001)
(J2951)
(J2801)
(J3901)
(J4102)
(J3301)
(J3302)
(J4501)
(J20)
(J14)
(J9)
(J10)
(J13)
(J21)
(J5)
(J4)
(J11)
(J8)
(CN1)
(J42)
(J47)
(J31)
(J51)
(J24)
(J23)
(J53)
(J52)
(J37)
(J41)
(J50)
(J39)
(J54)
(J3201)
(J2701)
(J2601)
(J3001)
(J2951)
(J2801)
(J3901)
(J4102)
(J3301)
(J4501)
(J15)
(J14)
(J9)
(J10)
(J13)
(J21)
(J5)
(J4)
(J11)
(J8)
iPF786/785/781/780
iPF765/760/755/750
iPF786/785
/765/755
A
A
6
9
6
6
501
3
2
4
5
5
9
5
8
7
503
1
502
4
4
10
11
8
7

Table of Contents

Other manuals for Canon iPF780 Series

Related product manuals