EasyManua.ls Logo

Canon iPF780 Series - Carriage Unit

Canon iPF780 Series
326 pages
Print Icon
To Next Page IconTo Next Page
To Next Page IconTo Next Page
To Previous Page IconTo Previous Page
To Previous Page IconTo Previous Page
Loading...
2-18
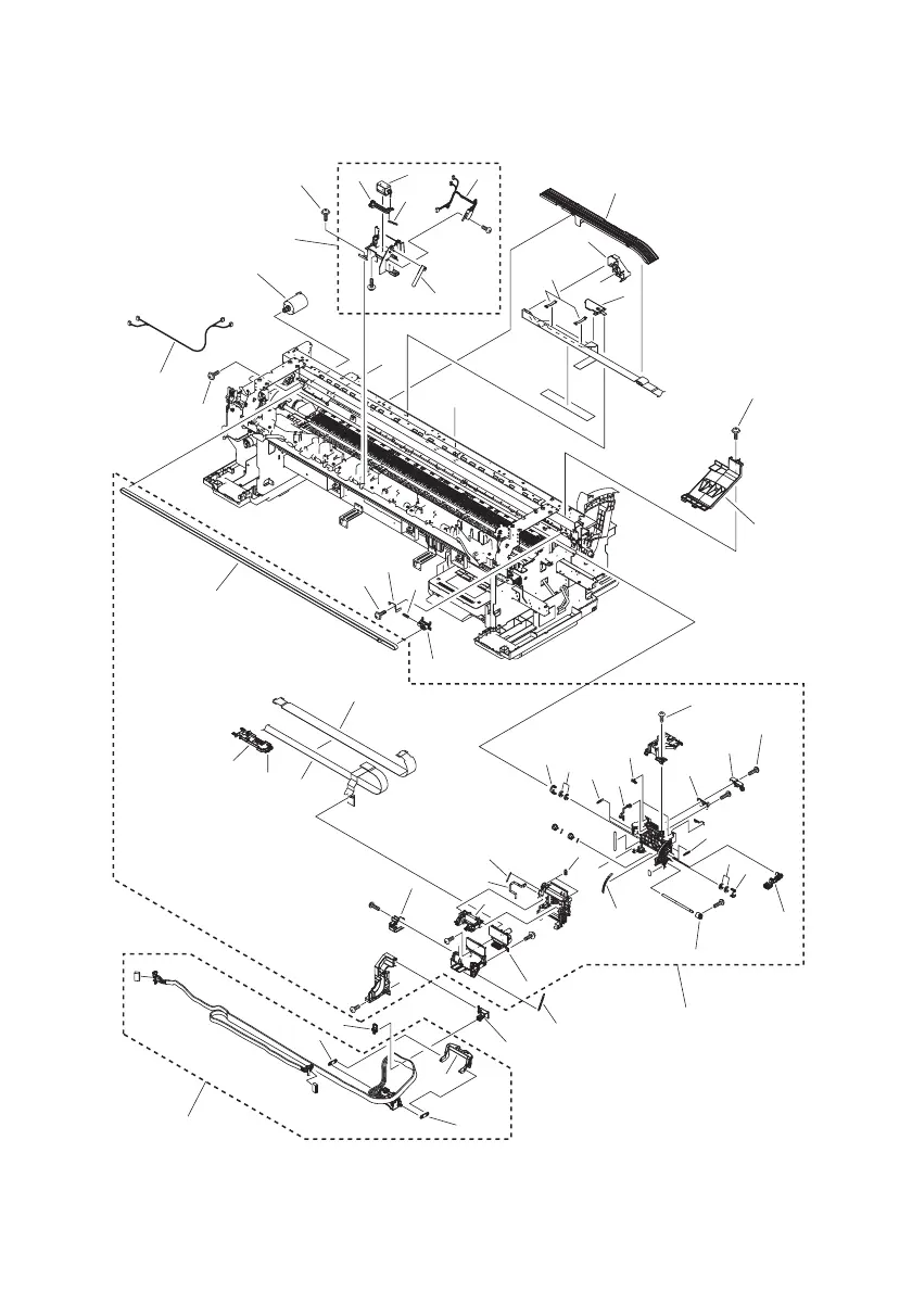
FIGURE 07
CARRIAGE UNIT
(J5)
(J4)
(J64)
(J6)
(J64)
(J63)
(J63)
A
B
B
C
C
A
8
9
41
23
44
4
3
2
28
28
34
40
24
39
25
14
31
15
16
16
17
26
13
18
30
22
21
501
501
29
30
38
33
27
32
27
19
44
44
1
12
43
6
37
35
36
5
7
11
10
42
44
45

Table of Contents