EasyManua.ls Logo

CaptiveAire RTULink - Carbon Dioxide Sensor - Duct Mount

CaptiveAire RTULink
56 pages
Print Icon
To Next Page IconTo Next Page
To Next Page IconTo Next Page
To Previous Page IconTo Previous Page
To Previous Page IconTo Previous Page
Loading...
18
Carbon Dioxide Sensor Duct Mount
If a CO
2
sensor is called for in the specifications or if CO
2
based demand control ventilation will be used for
RTULink control, follow the instructions in this section.
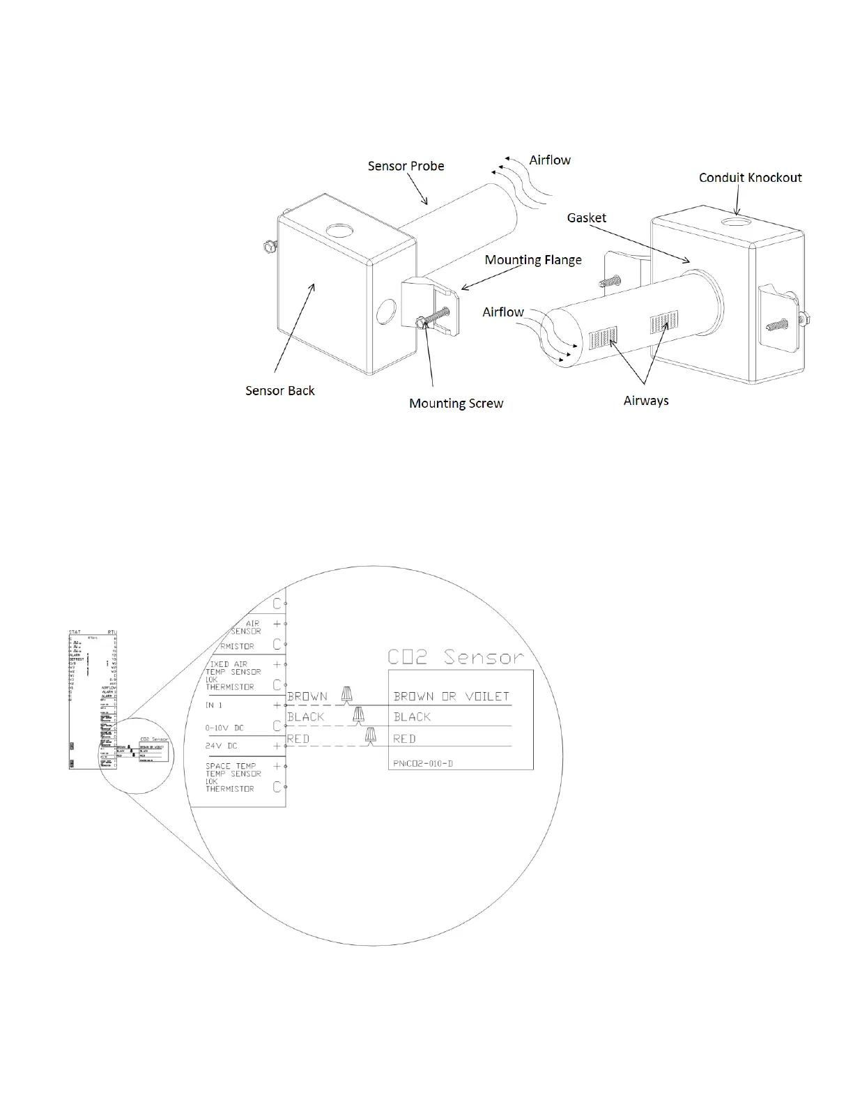
A CO
2
sensor (PN:
A/CO2-D010) will need to
be installed in a duct to
measure carbon dioxide
content of the air. A
sensor detail and
terminology can be seen
in Figure 19. The most
common application is to
install this sensor in the
return air duct, which
effectively measures the
CO
2
of the space. A 1½”
or 1¼” hole should be
drilled in the duct so that
the sensor can be
inserted into the
airstream. Make sure
that the provided gasket
is installed on the sensor
to prevent duct leakage.
Refer to the airflow arrow on the sensor to determine the proper mounting orientation (air should hit the side of the probe
opposite of the airways). Once the sensor is in its final position, secure it to the duct with self-tapping screws. Wire nuts
will be provided with the sensor so that wire connections can be made. The sensor will be powered by 24VDC which will
be supplied by the RTULink. The output voltage of the CO
2
sensor will need to be wired to a 0-10VDC input on the
RTULink. A wiring diagram of a CO
2
sensor wired to Input 1 on the “RTU” side of the RTULink can be seen in Figure 20.
Standard 18-5 wire should be
used for sensor wiring.
Once the sensor is wired to an
RTULink input, be sure to enter
the configuration menu via the
onboard HMI and configure this
input for “CO2”. In the Figure 20
example, “RTU IN 1” will need to
be configured as “CO2”.
Note: This sensor has a rolling
calibration that utilizes a
normal occupancy CO
2
curve
as a reference. If the building
or space that this sensor will be
installed in does not follow a
normal occupancy bell curve,
contact support.
Figure 20. CO2 RTULink Wiring
Figure 19. CO2 Sensor Detail (Duct Mount)