EasyManua.ls Logo

Carel µC2 - Page 25

Carel µC2
88 pages
To Next Page IconTo Next Page
To Next Page IconTo Next Page
To Previous Page IconTo Previous Page
To Previous Page IconTo Previous Page
Loading...
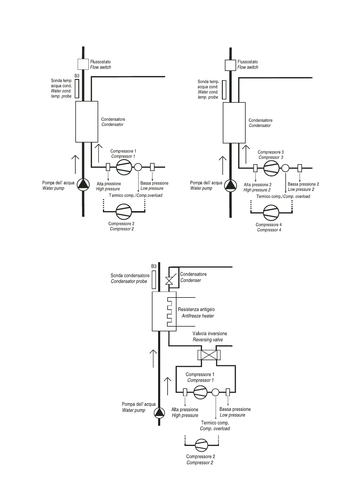
3.28 Motocondensante ad acqua senza inversione di
ciclo, bicircuito
3.29 Motocondensante ad acqua con inversione di
ciclo, monocircuito
3.28 Water-cooled condensing unit without reverse
cycle, two circuits
3.29 Reverse-cycle water-cooled condensing unit,
single circuit
25
µC
2
- cod. +030220420 - rel. 2.0 - 18.10.04
B7
Fig. 3.28.1
Fig. 3.29.1

Other manuals for Carel µC2

Related product manuals