EasyManua.ls Logo

Carlyle 06E - Electrical Hook-Up

Carlyle 06E
167 pages
Print Icon
To Next Page IconTo Next Page
To Next Page IconTo Next Page
To Previous Page IconTo Previous Page
To Previous Page IconTo Previous Page
Loading...
129
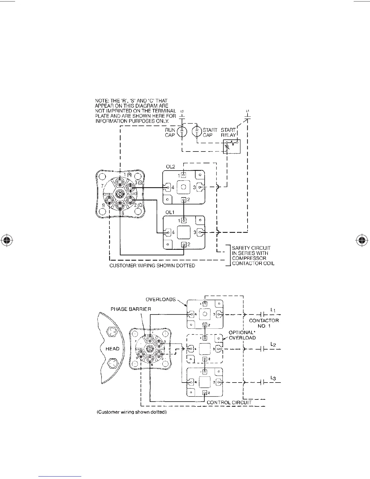
4.11 — Electrical Hook-Up
Consult wiring diagram located inside compressor terminal
box cover and reference diagrams shown below for wiring
hook-up connection locations. See 3.29, page 96 for Termi-
nal Box Packages.
06D & 06CC (17-37 Cfm) COMPRESSORS
06D
Single
Phase
06D
Three
Phase
* 3rd overload required on some compressors. See 4.9 06D compressor overloads.
Fig. 24 — Three Phase Electromechanical Overcurrent
Protection
Fig. 23 — Single Phase Electromechanical Overcurrent
Protection

Table of Contents

Other manuals for Carlyle 06E

Related product manuals