EasyManua.ls Logo

Carlyle 06E - Technical Specifications

Carlyle 06E
167 pages
Print Icon
To Next Page IconTo Next Page
To Next Page IconTo Next Page
To Previous Page IconTo Previous Page
To Previous Page IconTo Previous Page
Loading...
81
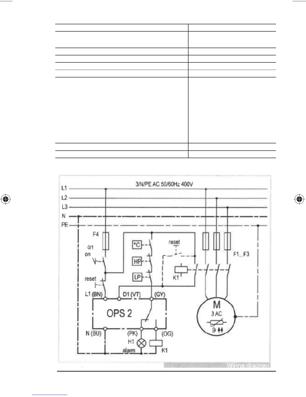
Technical specifications
Wiring Diagram
Permitted Temperature -22 F to +194 F
Differential Pressure
Cut-out 9 psig ±1 psig
Reset 13 psig ±1 psig
Operating Pressure 435 psig
Electronic Unit (BN/BU) Dual Voltage Connection AC 50/60 Hz 115-230V -15/+10%
Operating Recognition Connection (D1) Dual Voltage AC 50/60 Hz 115-230V -15/+10%
Ambient Temperature Range -22 F to 158 F
Delays:
• Relay on after applying the supply voltage 3s ±1s
• Relay on after previous locking 120s ±5s
• Starting transition time D1 active 5s ±2s
• Relay off (error) 5s ±2s
• Relay off (diff. pressure missing) 120s ±5s (time integration)
• Reset by interrupting the supply voltage About 5s
• Reset by button About 1s
• Reset by operating recognition (D1) About 1s
Output Relay AC 240V 2.5A C300
Protection Class Acc. to EN60529 IP54 in built-in status

Table of Contents

Other manuals for Carlyle 06E

Related product manuals