EasyManua.ls Logo

Carlyle 06E - Page 133

Carlyle 06E
167 pages
Print Icon
To Next Page IconTo Next Page
To Next Page IconTo Next Page
To Previous Page IconTo Previous Page
To Previous Page IconTo Previous Page
Loading...
131
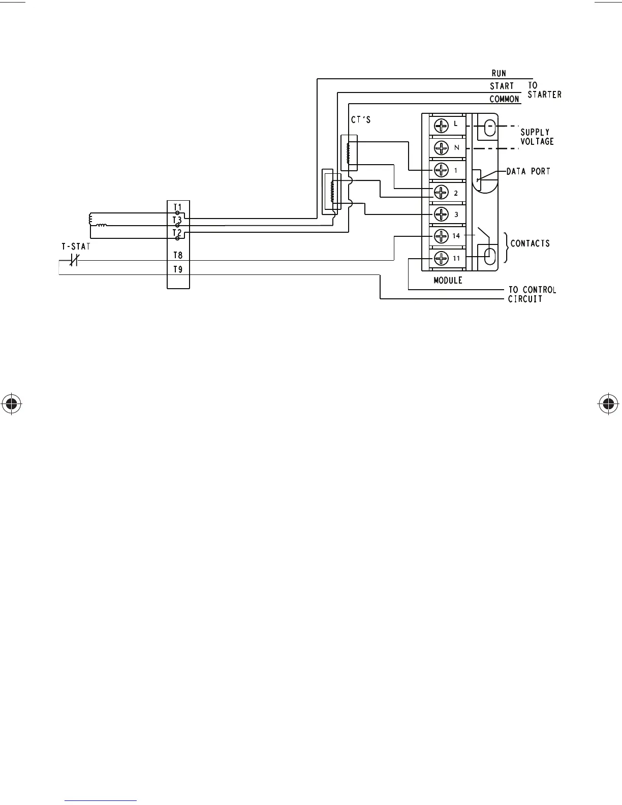
Fig. 27 — Single Phase Electronic Overcurrent Protection
(RETROFIT ONLY)
CUSTOMER WIRING SHOWN SOLID

Table of Contents

Other manuals for Carlyle 06E

Related product manuals