EasyManua.ls Logo

CDVI CT-V900 - Access Control Network; Connecting the Access Control Server

CDVI CT-V900
23 pages
Print Icon
To Next Page IconTo Next Page
To Next Page IconTo Next Page
To Previous Page IconTo Previous Page
To Previous Page IconTo Previous Page
Loading...
CT-V900 CONTROLLER 11
ACCESS CONTROL NETWORK
CONNECTING THE ACCESS CONTROL SERVER
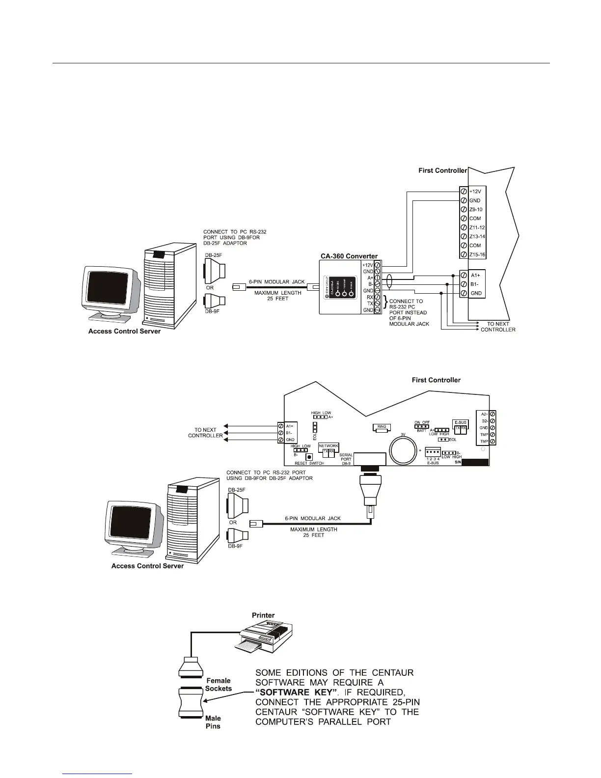
There are two ways of connecting the controller network to the access control server. If the access control server is
locatedmorethan25feetfromtherstcontroller,youwillberequiredtousetheCA-360converterasshownin
Figure5. If the access control server is located lessthan 25feet from the rst controller, you can connect the
access control server directly to the controller’s RS-232 port as shown in Figure 6. The controller then performs
the conversion of RS-232 to RS-485 internally.
Figure 5: Connecting to the Access Control Server via RS-485
Figure 6: Connecting to the Access Control Server via RS-282
Figure 7: Connecting a Centaur Software Key
www.cdvgroup.com

Related product manuals