EasyManua.ls Logo

CDVI CT-V900 - Diagrams; System Diagram

CDVI CT-V900
23 pages
Print Icon
To Next Page IconTo Next Page
To Next Page IconTo Next Page
To Previous Page IconTo Previous Page
To Previous Page IconTo Previous Page
Loading...
CT-V900 CONTROLLER 19
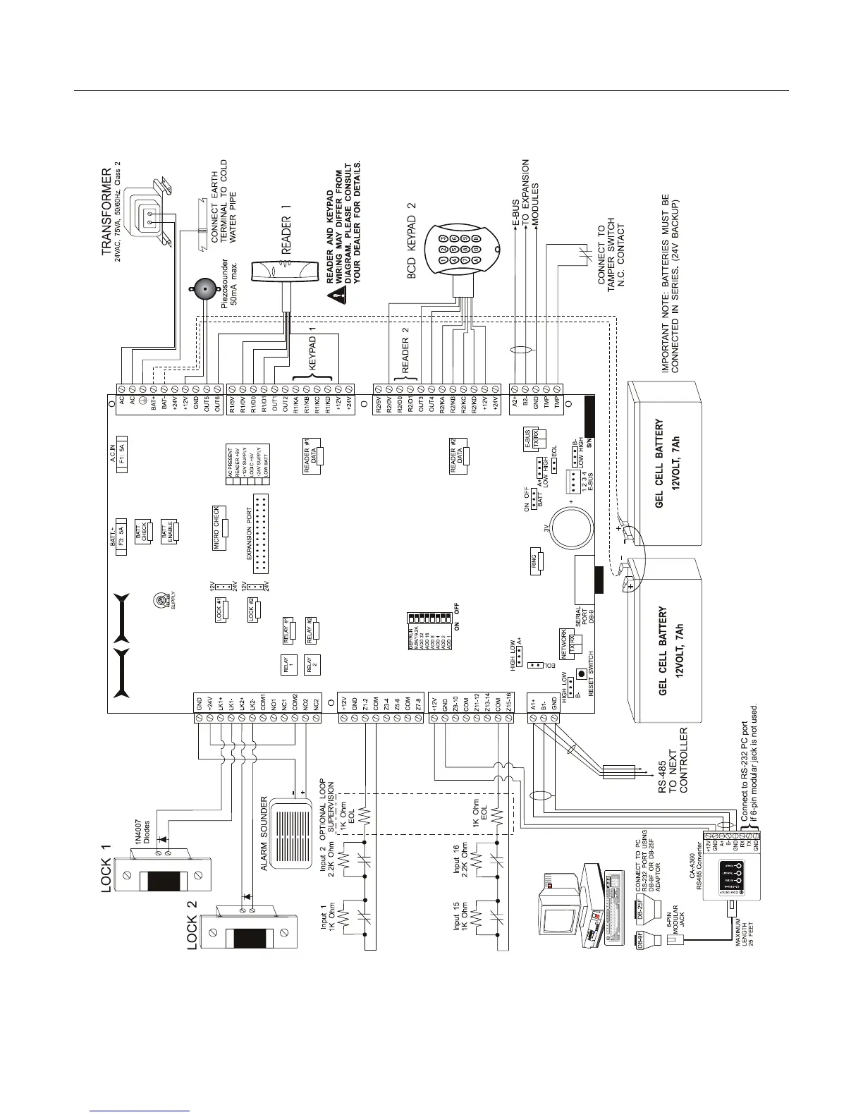
DIAGRAMS
SYSTEM DIAGRAM
Figure 14: Overview of Controller Connections
www.cdvgroup.com

Related product manuals