EasyManua.ls Logo

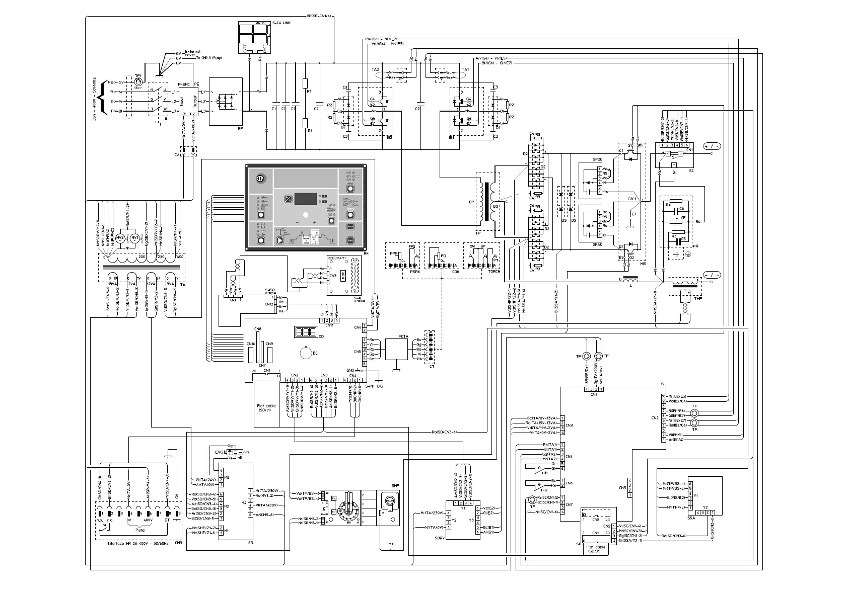
CEA MATRIX 4000 AC/DC - Page 11

Default Icon
42 pages
Print Icon
To Next Page IconTo Next Page
To Next Page IconTo Next Page
To Previous Page IconTo Previous Page
To Previous Page IconTo Previous Page
Loading...
11
2101WC13/B

Table of Contents

Related product manuals