EasyManua.ls Logo

Cellink BIO X - Page 33

Cellink BIO X
76 pages
Print Icon
To Next Page IconTo Next Page
To Next Page IconTo Next Page
To Previous Page IconTo Previous Page
To Previous Page IconTo Previous Page
Loading...
33
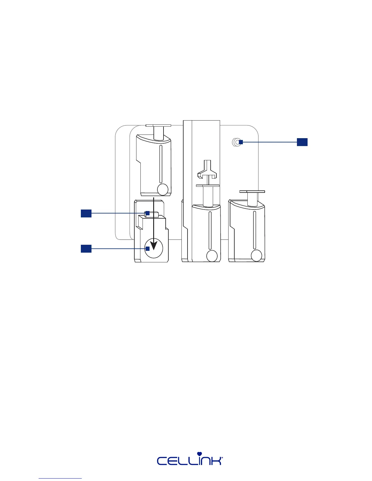
1. Intelligent printhead connector – This connector connects the intelligent printhead to BIO X.
2. Magnet – The magnet holds the printhead in place.
3. Pressure connector The pressure connector delivers air to intelligent pneumac printheads.
4.2.8 Overview and mounng of bioprinng equipment
Ensure you have correctly mounted the printheads, print surfaces and bioink cartridges before
bioprinng.
Refer to the specic printhead manual for instrucons on how to mount a cartridge. To mount the
printhead in BIO X, move the printhead straight down toward the printhead holder. Press it unl
you feel the magnet snap into place. Remember to connect pneumac printheads to the pressure
connector.
3
1
2

Other manuals for Cellink BIO X

Related product manuals