EasyManua.ls Logo

CESAB B 200 - LIFTING LOCKING AND UNLOCKING SCREW

CESAB B 200
460 pages
Print Icon
To Next Page IconTo Next Page
To Next Page IconTo Next Page
To Previous Page IconTo Previous Page
To Previous Page IconTo Previous Page
Loading...
14-9
14
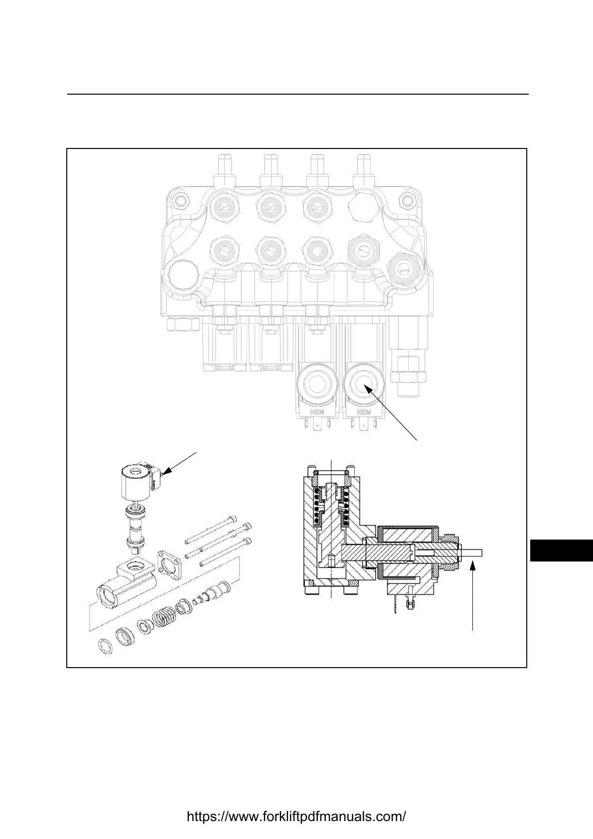
LIFTING LOCKING AND UNLOCKING SCREW
To be activated when forks can’t be lowered due to solenoid valve failure.
Lifting locking/unlocking screw
Lifting locking/unlocking screw
Solenoid valve 24 Volt / 28 ohm
EV12
EV13
https://www.forkliftpdfmanuals.com/

Table of Contents