EasyManua.ls Logo

Cessna 152 1978 - Page 117

Cessna 152 1978
192 pages
Print Icon
To Next Page IconTo Next Page
To Next Page IconTo Next Page
To Previous Page IconTo Previous Page
To Previous Page IconTo Previous Page
Loading...
CESSNA AIRCRAFT COMPANY FOR TRAINING USE ONLY
MODEL 152 7-21
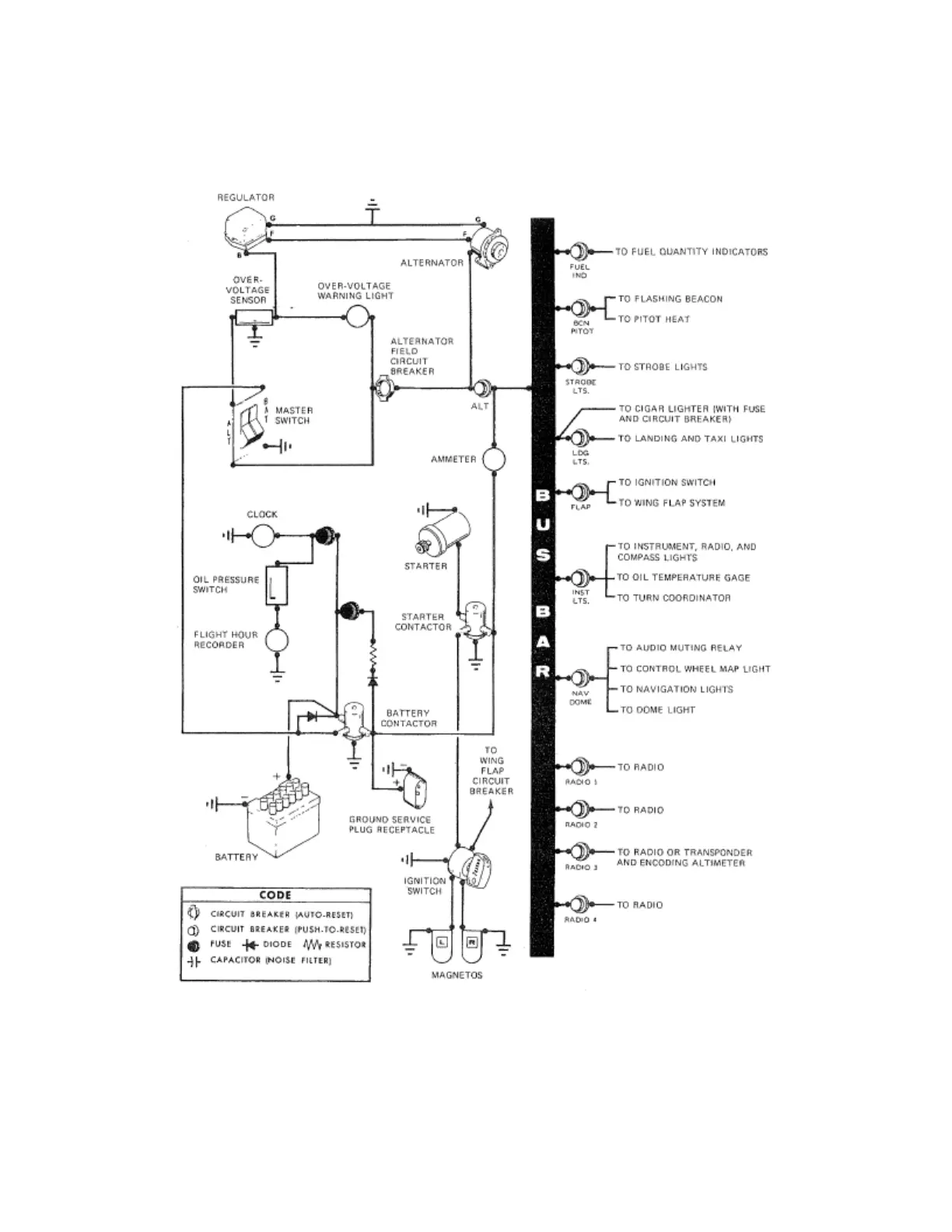
The warning light may be tested by momentarily turning off the ALT portion of the master switch and
leaving the BAT portion turned on.
Figure 7-7. Electrical System

Table of Contents

Related product manuals