EasyManua.ls Logo

Cessna T188C - Page 409

Cessna T188C
624 pages
Print Icon
To Next Page IconTo Next Page
To Next Page IconTo Next Page
To Previous Page IconTo Previous Page
To Previous Page IconTo Previous Page
Loading...
MODEL
188
&
T188
SERIES
SERVICE
MANUAL
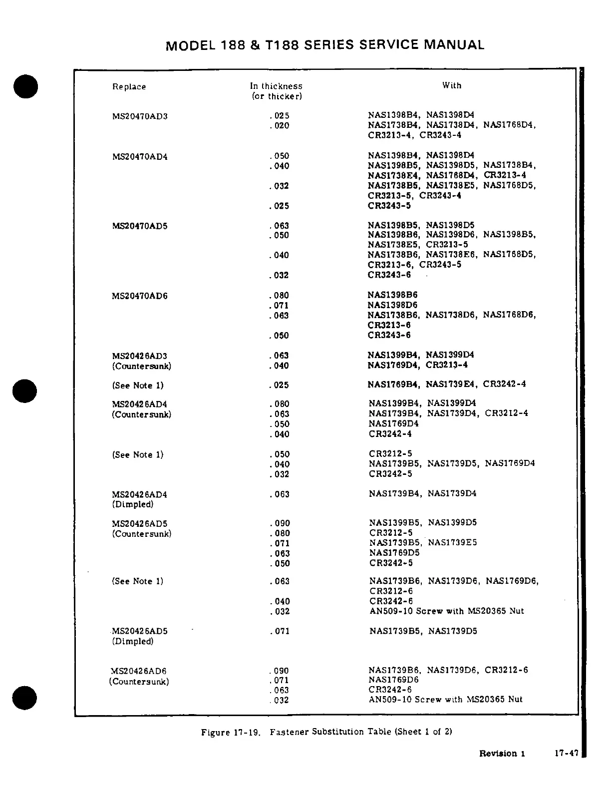
Replace
In
thickness
With
(or
thicker)
MS20470AD3
.025
NAS1398B4,
NAS1398D4
.020
NAS1738B4,
NAS1738D4,
NAS1768D4,
CR3213-4,
CR3243-4
MS20470AD4
.050
NAS1398B4,
NAS1398D4
.040
NAS1398B5,
NAS1398D5,
NAS1738B4,
NAS1738E4,
NAS1768D4,
CR3213-4
.032
NAS1738B5,
NAS1738E5,
NAS1768D5,
CR3213-5,
CR3243-4
.025
CR3243-5
MS20470AD5
.063
NAS1398B5,
NAS1398D5
.050
NAS1398B6,
NAS1398D6,
NAS1398B5,
NAS1738E5,
CR3213-5
.040
NAS1738B6,
NAS1738E6,
NAS1768D5,
CR3213-6,
CR3243-5
.032
CR3243-6
MS20470AD6
.080
NAS1398B6
.071
NAS1398D6
.063
NAS1738B6,
NAS1738D6,
NAS1768D6,
CR3213-6
.050
CR3243-6
MS20426AD3
.063
NAS1399B4,
NAS1399D4
(Countersunk)
.040
NAS1769D4,
CR3213-4
(See
Note
1)
.025
NAS1769B4,
NAS1739E4,
CR3242-4
MS20426AD4
.080
NAS1399B4,
NAS1399D4
(Countersunk)
.063
NAS1739B4,
NAS1739D4,
CR3212-4
.050
NAS1769D4
.040
CR3242-4
(See
Note
1)
.050
CR3212-5
.040
NAS1739B5,
NAS1739D5,
NAS1769D4
.032
CR3242-5
MS20426AD4
.063
NAS1739B4,
NAS1739D4
(Dimpled)
MS20426AD5
.090
NAS1399B5,
NAS1399D5
(Countersunk)
.080
CR3212-5
.071
NAS1739B5,
NAS1739E5
.063
NAS1769D5
.050
CR3242-5
(See
Note
1)
.063
NAS1739B6,
NAS1739D6,
NAS1769D6,
CR3212-6
.040
CR3242-6
.032
AN509-10
Screw
with MS20365
Nut
MS20426AD5
.071
NAS1739B5,
NAS1739D5
(Dimpled)
MS20426AD6
.090
NAS1739B6,
NAS1739D6,
CR3212-6
(Countersunk)
.071
NAS1769D6
.063
CR3242-6
.032
AN509-10
Screw
with
MS20365
Nut
Figure
17-19.
Fastener
Substitution
Table
(Sheet
1
of
2)
Revision
1
17-47

Table of Contents

Related product manuals