EasyManua.ls Logo

Charder MS-2500 - Page 23

Charder MS-2500
35 pages
Print Icon
To Next Page IconTo Next Page
To Next Page IconTo Next Page
To Previous Page IconTo Previous Page
To Previous Page IconTo Previous Page
Loading...
22
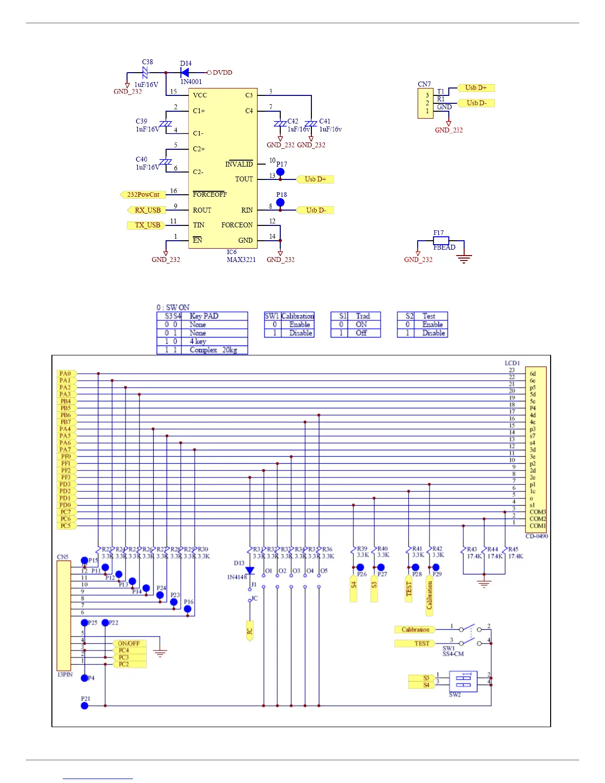
Main Board CH-0733 (P.2/3)
RS 232
OPTION

Other manuals for Charder MS-2500

Related product manuals