EasyManua.ls Logo

Charder MS-2500 - Schematics-Power Board Ch-0689; Layout-Power Board Ch-0689

Charder MS-2500
35 pages
Print Icon
To Next Page IconTo Next Page
To Next Page IconTo Next Page
To Previous Page IconTo Previous Page
To Previous Page IconTo Previous Page
Loading...
25
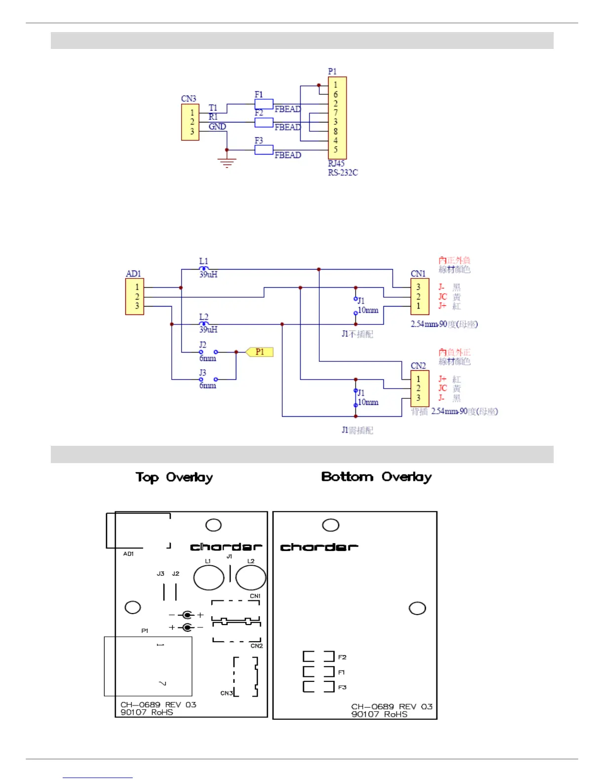
SCHEMATICS-POWER BOARD CH-0689
LAYOUT—POWER BOARD CH-0689

Other manuals for Charder MS-2500

Related product manuals