EasyManua.ls Logo

CHART MVE 1839 - Advanced Settings Menus

Default Icon
161 pages
Print Icon
To Next Page IconTo Next Page
To Next Page IconTo Next Page
To Previous Page IconTo Previous Page
To Previous Page IconTo Previous Page
Loading...
MVE Biological Systems
TEC 3000 Operating and Maintenance Freezer Manual
13289499 Rev H • 110
8.9.
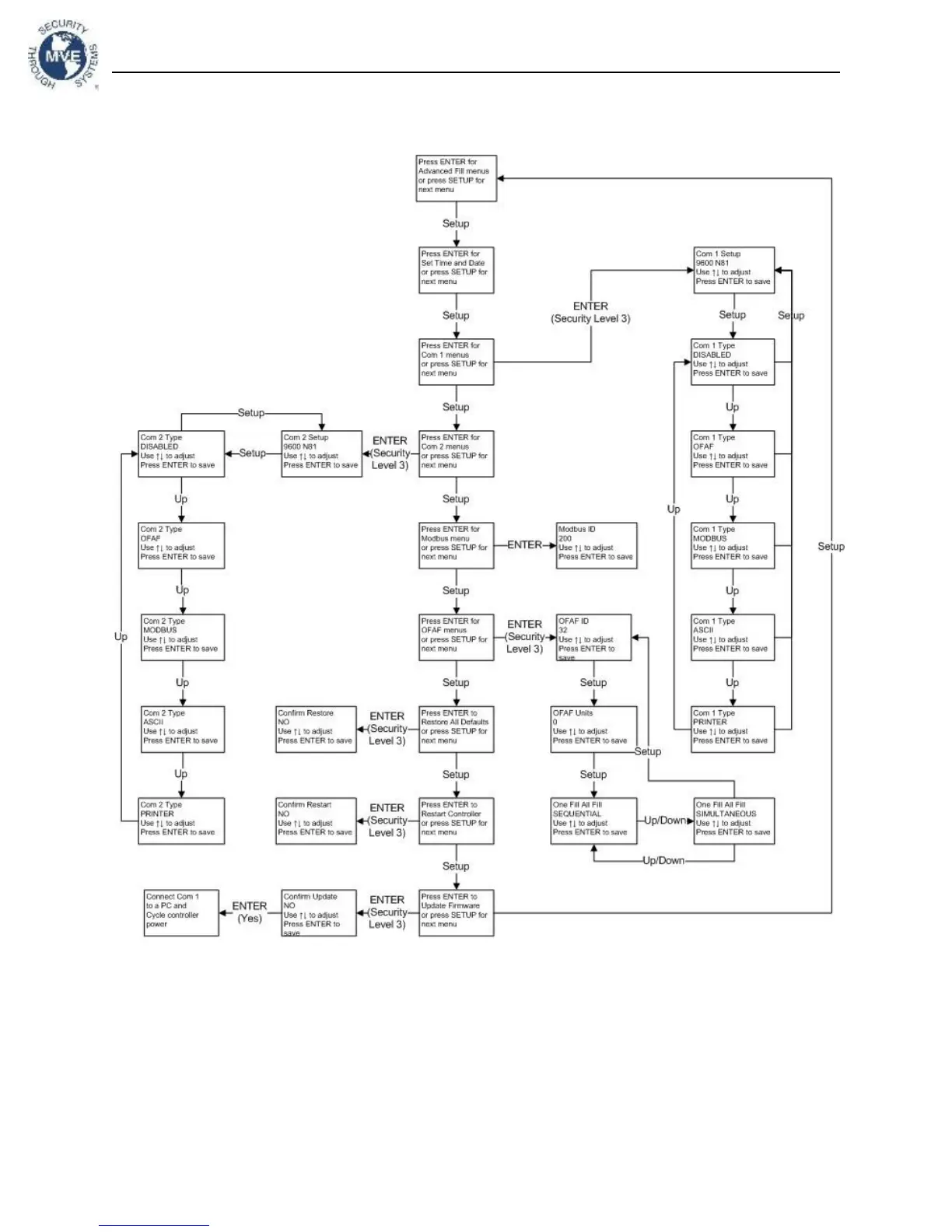
Advanced Settings Menus

Table of Contents

Related product manuals