EasyManua.ls Logo

CHIEF MI200T - Circuit Diagram

CHIEF MI200T
32 pages
Print Icon
To Next Page IconTo Next Page
To Next Page IconTo Next Page
To Previous Page IconTo Previous Page
To Previous Page IconTo Previous Page
Loading...
30
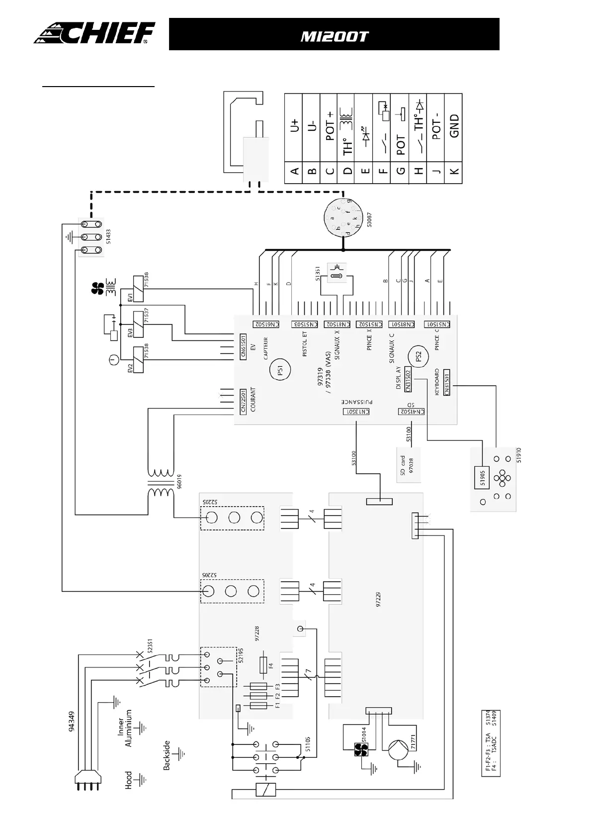
9 - CIRCUIT DIAGRAM

Related product manuals