EasyManua.ls Logo

CHIEF MI200T - Cooling Liquid Circuit; Clamp Cable Beam Connectors

CHIEF MI200T
32 pages
Print Icon
To Next Page IconTo Next Page
To Next Page IconTo Next Page
To Previous Page IconTo Previous Page
To Previous Page IconTo Previous Page
Loading...
31
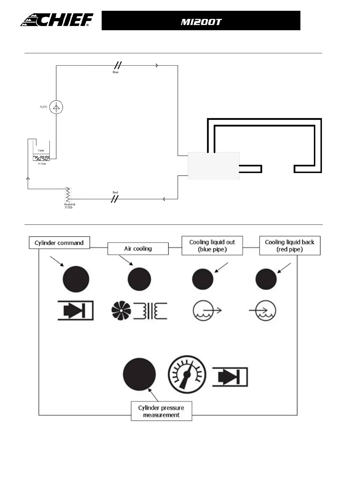
10 – COOLING LIQUID CIRCUIT
11 CLAMP CABLE BEAM CONNECTIONS

Related product manuals