EasyManua.ls Logo

Christopeit Sport Basic Concept - Page 9

Christopeit Sport Basic Concept
Print Icon
To Next Page IconTo Next Page
To Next Page IconTo Next Page
To Previous Page IconTo Previous Page
To Previous Page IconTo Previous Page
Loading...
9
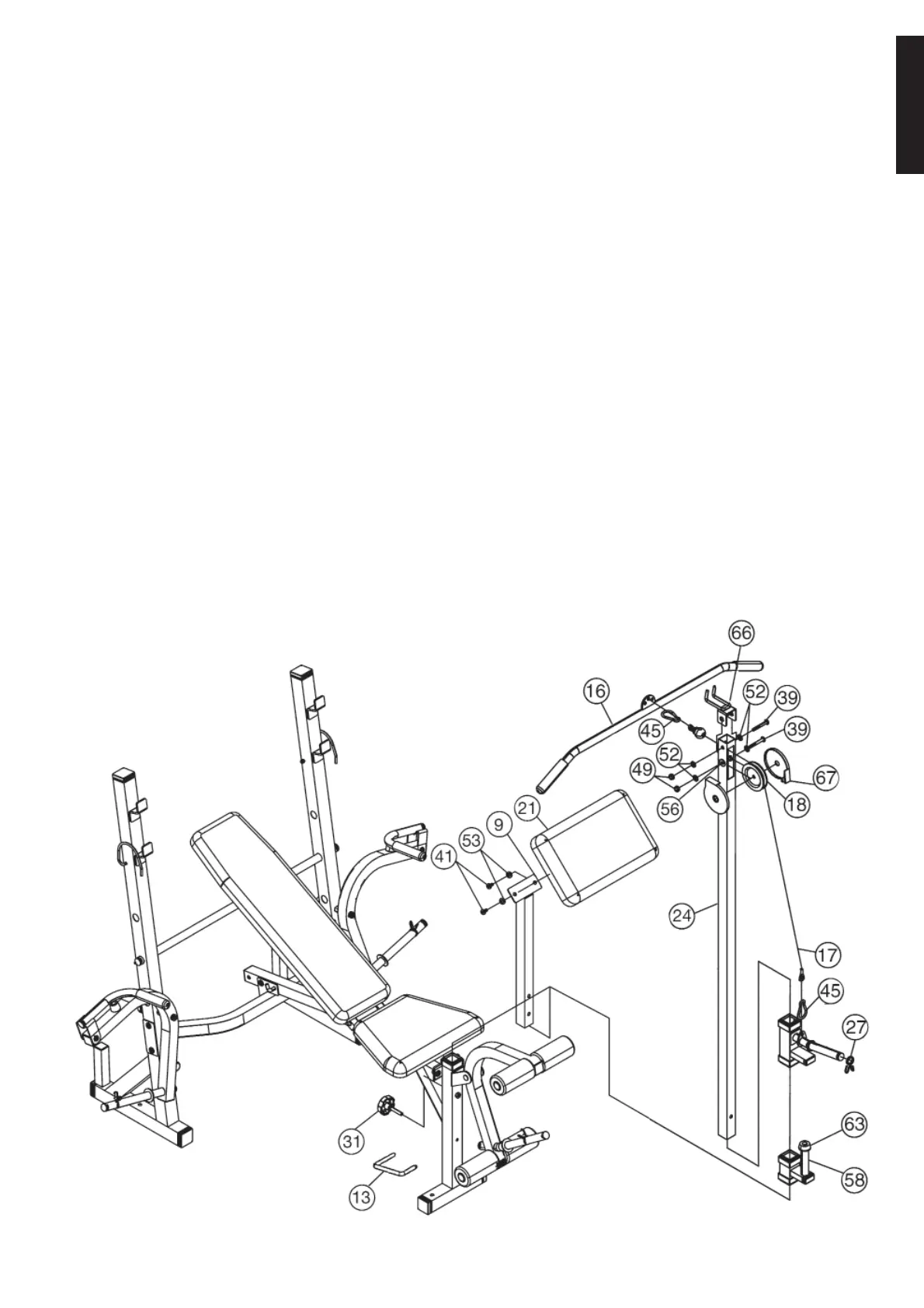
Schritt 8:
Montage des Curlpult (21) an der Curlpultaufnahme (9) mittels der
Schrauben M8x15mm (41) und den Unterlegscheiben 8//16mm (53).
1. Das Curlpult (21) mit der Rückseite nach oben hinlegen.
2. Auf die Schrauben (41) je und eine Unterlegscheibe (53) aufstecken.
3. Die Platte am Ende der Curlpultaufnahme (9) so auf das Polster
aufsetzen, dass die Bohrungen in der Platte und dem Curlpult (21)
übereinander liegen.
4. Die Schrauben (41) durch die Bohrungen in der Platte stecken, in die
Gewindelöcher des Curlpult eindrehen und fest anziehen.
5. Die Curlpultaufnahme in den Fuß (8) einstecken und in der gewünschten
Position mittels einstecken und festdrehen der Sterngriffschraube (31)
sichern.
(Achtung! Die eingestellte Position kann später ganz nach belieben
verändert werden bzw. die Curlpult-Einheit für je nach gewünschter
Übung montiert bzw. demontiert werden.
Ebenfalls kann je nach gewünschter Übung unterhalb der Sterngriff-
schraube (31) der Beincurler (10) durch einstecken bzw. herausziehen
des Sicherungsbügels (13) in den Fuß (8) gesichert bzw. entsichert
werden.)
Deutsch
Schritt 9:
Montage des Latissimusturm (24), des Gewichtsschlitten (14), den
Anschlagschlitten (58), der Latissimusstange (16), der Griffüberzüge
(29), des Seiles (17) und der Seilrolle (18) mittels der Schrauben (39),
der Kunststoff Distanzstücke (56), der Unterlegscheiben (52) und der
Selbstsichernde Mutter (49).
1. Alle oben benannten Einzelteile in einen freien Bereich griffbereit
hinlegen.
2. Beide Schlitten (14 + 58) von unten auf den Latissimusturm (24)
aufschieben und dabei auf die Richtung des Gewichtscheibenaufnahme
und Anschlagstellen achten.
3. Die Latissimus Ablage (66) entgegengesetzter Richtung von
Gewichtscheibenaufnahme auf den Latissimusturm (24) aufstecken und
mittels der Schraube (39), der Unterlegscheibe (52) und der Mutter (49)
festschrauben.
4. Auf die Schraube (39) eine Unterlegscheibe (52) und ein Kunststoff
Distanzstück (56) stecken, die Seilrolle (18) in den Latissimusturm (24)
mit den Bohrungen übereinander stehend einlegen und durch Einstecken
der Schraube (39) fi xieren. Auf das Schraubenende das zweite Kunststoff
Distanzstück (56) und eine Unterlegscheibe (52) stecken und mit der
Mutter (49) fest-schrauben, sodass die Kunststoff Distanzstücke (56)
sich nicht verbiegen.
5. Das Seil (17) mit einer Öse über die montierte Seilrolle (18) durch
den Latissimusturm (24) stecken und mit einem Karabinerhaken (45)
das Seilende und den Gewichtschlitten (14) verbinden. Anschließend
mit dem zweiten Karabinerhaken (45) das andere Seilende mit der
Latissimusstange (16) verbinden.
6. Abschließend den Federklemmring (27) auf die Hantelscheiben-
aufnahmen des Gewichtsschlitten (14) aufstecken.
7. Der Latissimusturm kann ebenfalls wie die Curlpultaufnahme in den Fuß
(8) eingesteckt und mit der Sterngriffschraube (31) gesichert werden.

Related product manuals