EasyManua.ls Logo

Cisco Nexus 9300-FX

Cisco Nexus 9300-FX
66 pages
To Next Page IconTo Next Page
To Next Page IconTo Next Page
To Previous Page IconTo Previous Page
To Previous Page IconTo Previous Page
Loading...
Statement 1048—Rack Stabilization
Stability hazard. The rack stabilizing mechanism must be in place, or the rack must be bolted to the floor
before you slide the unit out for servicing. Failure to stabilize the rack can cause the rack to tip over.
Warning
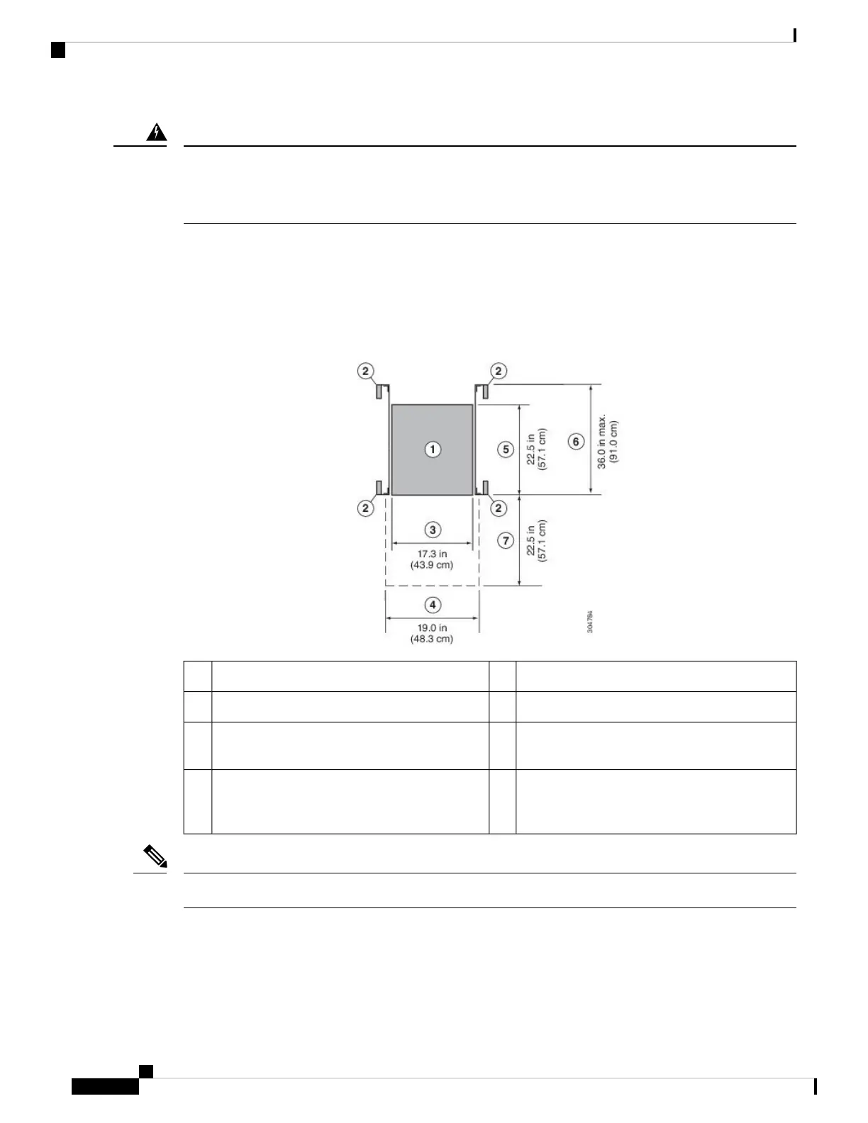
Clearance Requirements
You must provide the chassis with adequate clearance between the chassis and any other rack, device, or
structure so that you can properly install the chassis, route cables, provide airflow, and maintain the switch.
For the clearances required for an installation of this chassis in a four-post rack, see the following figure.
Depth of the chassis5Chassis1
Maximum extension of the bottom-support rails6Vertical rack-mount posts and rails2
Depth of the front clearance area (this equals the
depth of the chassis)
7Chassis width3
Width of the front clearance area (this equals the
width of the chassis with two rack-mount
brackets attached to it)
4
Both the front and rear of the chassis must be open to both aisles for airflow.
Note
Cisco Nexus 9348GC-FXP ACI Mode Hardware Installation Guide
10
Preparing the Site
Clearance Requirements

Table of Contents

Related product manuals