EasyManua.ls Logo

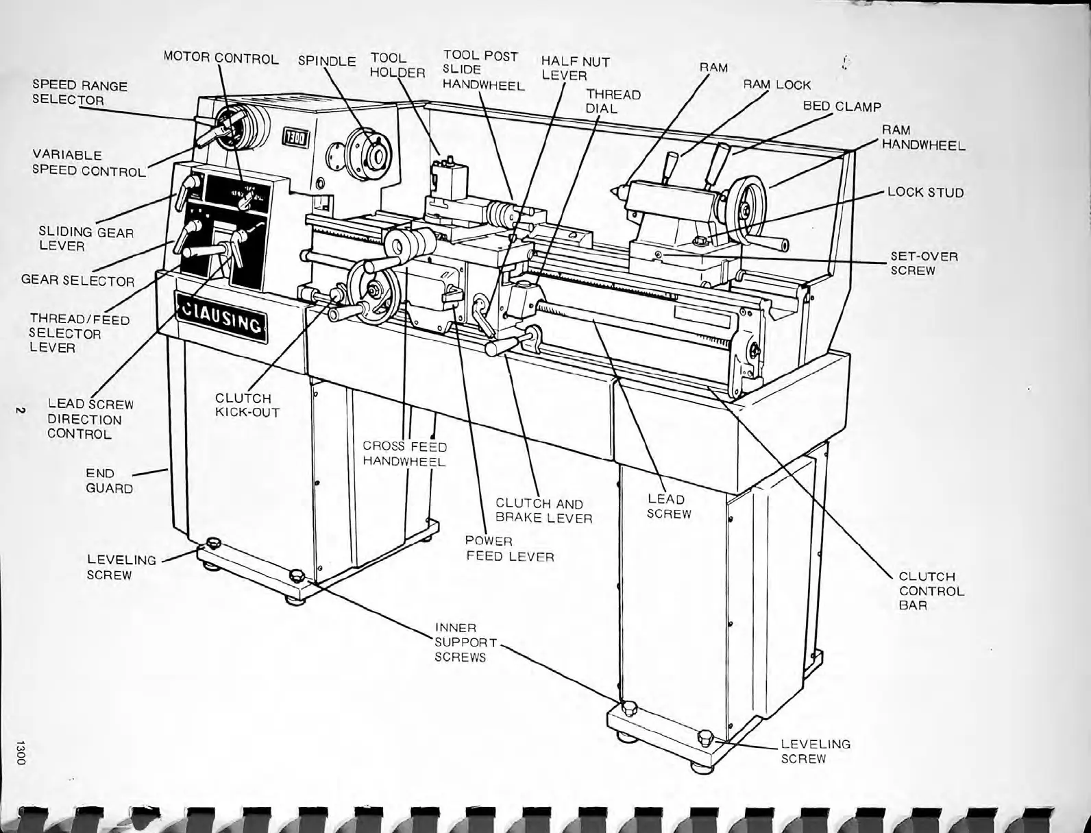
CLAUSING 1300 Series - Functional Diagram; Bed - Lead Screw - Clutch Control

Default Icon
36 pages
Print Icon
To Next Page IconTo Next Page
To Next Page IconTo Next Page
To Previous Page IconTo Previous Page
To Previous Page IconTo Previous Page
Loading...

Related product manuals