EasyManua.ls Logo

Clevo W740SU - 1.05 V; Sheet 31 of 42 1.05 V

Clevo W740SU
88 pages
Print Icon
To Next Page IconTo Next Page
To Next Page IconTo Next Page
To Previous Page IconTo Previous Page
To Previous Page IconTo Previous Page
Loading...
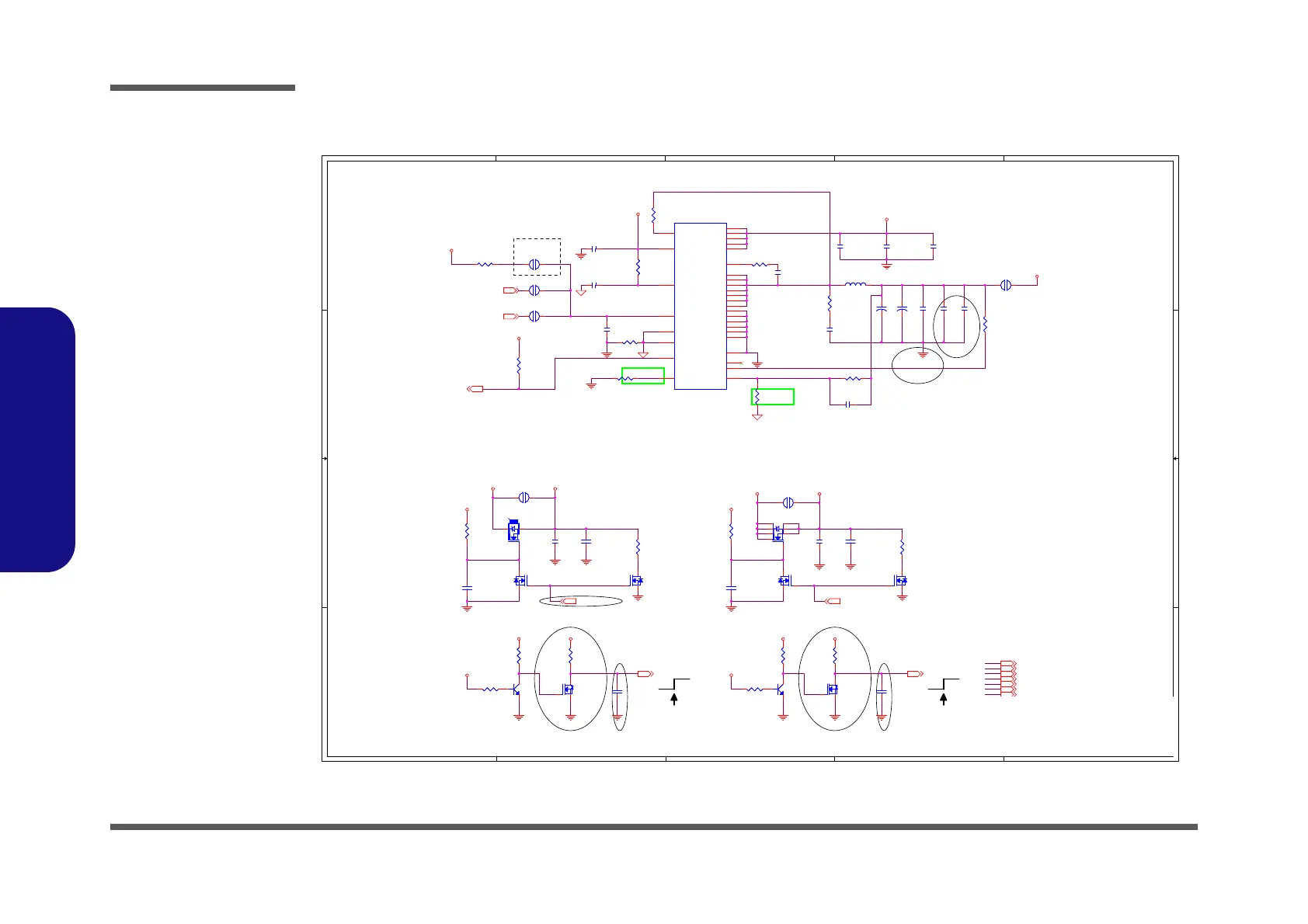
Schematic Diagrams
B - 32 1.05V
B.Schematic Diagrams
1.05V
5
5
4
4
3
3
2
2
1
1
D D
C C
B B
A A
1.05VM
ON
1.05VS
1.05V_LAN_M
IMAX:10A
For CV test
D01A modify
SLP_M# change to SLP_M
ON
D01A add
ڼ
VALUE
330uF_2.5V_6.6*6.6*4.2
(6-09-3371P-190)
D02 add
D02 add PC155, PC156
D01A add
D02 add
1.05VS_VTT_EN1 1.05VS_VTT_EN2
1.05V_LAN_M
SYS15V
1.05VM
VDD3
1.05V_LAN_M
SYS15V
1.05VS
VDD3
1.05VS
VIN
VDD3
VDD3
1.05V_LAN_M
1.05SGND
VDD5
1.05SGND
1.05SGND
1.05VM
VDD3 VDD3
SLP_M 18,33 SUSB 4,14,31,34
1.05V_LAN_PWRGD18
SUSB#18,27,30,31
PM_SLP_LAN#18,33
SYS15V 31,33
VIN 13,31,33,34,35,36
VDD3 2,16,17,18,20,21,22,23,24,26,27,28,30,31,33,36
1.05VS 4,7,23,24,35
1.05VM 23,24
1.05V_LAN_M 23,24,28
VDD5 27,31,331.05VM_PWRGD 18 1.05VS_PWRGD 18
Title
Size Document Number Rev
Date: Sheet
of
6-71-W7400-D03
2.0A
[32] 1.05V series
A3
32 43W ednesday, April 24, 2013
ᙔ!Ϻ!ႝ!တ!!DMFWP!DP/
SCHEMATIC1
Title
Size Document Number Rev
Date: Sheet
of
6-71-W7400-D03
2.0A
[32] 1.05V series
A3
32 43W ednesday, April 24, 2013
ᙔ!Ϻ!ႝ!တ!!DMFWP!DP/
SCHEMATIC1
Title
Size Document Number Rev
Date: Sheet
of
6-71-W7400-D03
2.0A
[32] 1.05V series
A3
32 43W ednesday, April 24, 2013
ᙔ!Ϻ!ႝ!တ!!DMFWP!DP/
SCHEMATIC1
PR10 0_06PR10 0_06
PQ36
2N3904
PQ36
2N3904
B
E C
PR171
10K_04
PR171
10K_04
PR70
2.2_06
PR70
2.2_06
S
D
G
PQ17A
MTDN7002ZHS6R
S
D
G
PQ17A
MTDN7002ZHS6R
2
61
PR35
1M_04
PR35
1M_04
PR128
10K_04
PR128
10K_04
PR6
8.45K_1%_04
PR6
8.45K_1%_04
PJ3 *CV-40milPJ3 *CV-40mil
1 2
PC53
2200p_50V_X7R_04
PC53
2200p_50V_X7R_04
PR67
280K_1%_04
PR67
280K_1%_04
PR124
100K_04
PR124
100K_04
PR172
10K_04
PR172
10K_04
PR5
0_04
PR5
0_04
S
D
G
PQ16B
MTDN7002ZHS6R
S
D
G
PQ16B
MTDN7002ZHS6R
5
34
PC155
10u_6.3V_X5R_06
PC155
10u_6.3V_X5R_06
C230
0.22u_10V_Y5V_04
C230
0.22u_10V_Y5V_04
PJ1 *OPEN-1mmPJ1 *OPEN-1mm
1 2
PC13
*100P_50V_NPO_04
PC13
*100P_50V_NPO_04
PR159
100K_04
PR159
100K_04
PR72
10K_04
PR72
10K_04
PC56
0.1u_10V_X7R_04
PC56
0.1u_10V_X7R_04
PR7
21K_1%_04
PR7
21K_1%_04
PJ2 *OPEN-1mmPJ2 *OPEN-1mm
1 2
PC52
10u_10V_Y5V_08
PC52
10u_10V_Y5V_08
PR11 10K_04PR11 10K_04
PC7
0.1u_50V_Y5V_06
PC7
0.1u_50V_Y5V_06
PQ14
MDU1512
PQ14
MDU1512
G
D S
+
PC29
*390uF_2.5V_12m_6.6*6.6*4.2
+
PC29
*390uF_2.5V_12m_6.6*6.6*4.2
PQ51
MTN7002ZHS3
PQ51
MTN7002ZHS3
G
DS
C231
1u_6.3V_X5R_04
C231
1u_6.3V_X5R_04
PC8
1u_6.3V_X5R_04
PC8
1u_6.3V_X5R_04
S
D
G
PQ16A
MTDN7002ZHS6R
S
D
G
PQ16A
MTDN7002ZHS6R
2
61
PC12
1u_6.3V_X5R_04
PC12
1u_6.3V_X5R_04
PR68
0_06
PR68
0_06
PC5
4.7u_25V_X5R_08
PC5
4.7u_25V_X5R_08
PC57
0.1u_10V_X7R_04
PC57
0.1u_10V_X7R_04
PR71 8.2K_1%_04PR71 8.2K_1%_04
S
D
G
PQ17B
MTDN7002ZHS6R
S
D
G
PQ17B
MTDN7002ZHS6R
5
34
+
PC19
560u_2.5V_6.6*6.6*5.9
+
PC19
560u_2.5V_6.6*6.6*5.9
PR38
100_04
PR38
100_04
PC34
1u_10V_Y5V_06
PC34
1u_10V_Y5V_06
PR73
10_04
PR73
10_04
PR37
1M_04
PR37
1M_04
PJ16
*OPEN-5mm
PJ16
*OPEN-5mm
12
PR155
10K_04
PR155
10K_04
PC156
*10u_6.3V_X5R_06
PC156
*10u_6.3V_X5R_06
PC51
10u_10V_Y5V_08
PC51
10u_10V_Y5V_08
PC102
2200p_50V_X7R_04
PC102
2200p_50V_X7R_04
PU1
G5310QNIU
PU1
G5310QNIU
VIN
19
AGND
2
VIN
20
EN_SKIP
23
BST
22
VCC
26
TON
24
VIN
18
VDD
3
VIN
31
LX
6
PGOOD
28
ILIM
1
LX
7
LX
8
LX
9
LX
10
PGND
11
PGND
12
PGND
13
PGND
14
PGND
15
PGND
16
AGND
29
PGND
4
LX
5
OUT
25
FB
27
NC
21
LX
30
VIN
17
PJ15
OPEN_2A
PJ15
OPEN_2A
1 2
PC14
0.1u_50V_Y5V_06
PC14
0.1u_50V_Y5V_06
PC6
4.7u_25V_X5R_08
PC6
4.7u_25V_X5R_08
C16
2200p_50V_X7R_04
C16
2200p_50V_X7R_04
PR125
100_04
PR125
100_04
PC99
0.1u_50V_Y5V_06
PC99
0.1u_50V_Y5V_06
PL1
BCIHP0730-1R0M
PL1
BCIHP0730-1R0M
1 2
PQ13
MDU1512
PQ13
MDU1512
4
6 2
7 3
8
5
1
PQ50
MTN7002ZHS3
PQ50
MTN7002ZHS3
G
DS
PJ4 *OPEN-5mmPJ4 *OPEN-5mm
1 2
PQ47
2N3904
PQ47
2N3904
B
E C
Sheet 31 of 42
1.05V

Table of Contents

Related product manuals