EasyManua.ls Logo

ClimateMaster Tranquility - Page 14

ClimateMaster Tranquility
22 pages
Print Icon
To Next Page IconTo Next Page
To Next Page IconTo Next Page
To Previous Page IconTo Previous Page
To Previous Page IconTo Previous Page
Loading...
THW
14
THW Water-To-Water Series
ClimateMaster: Smart. Responsible. Comfortable.
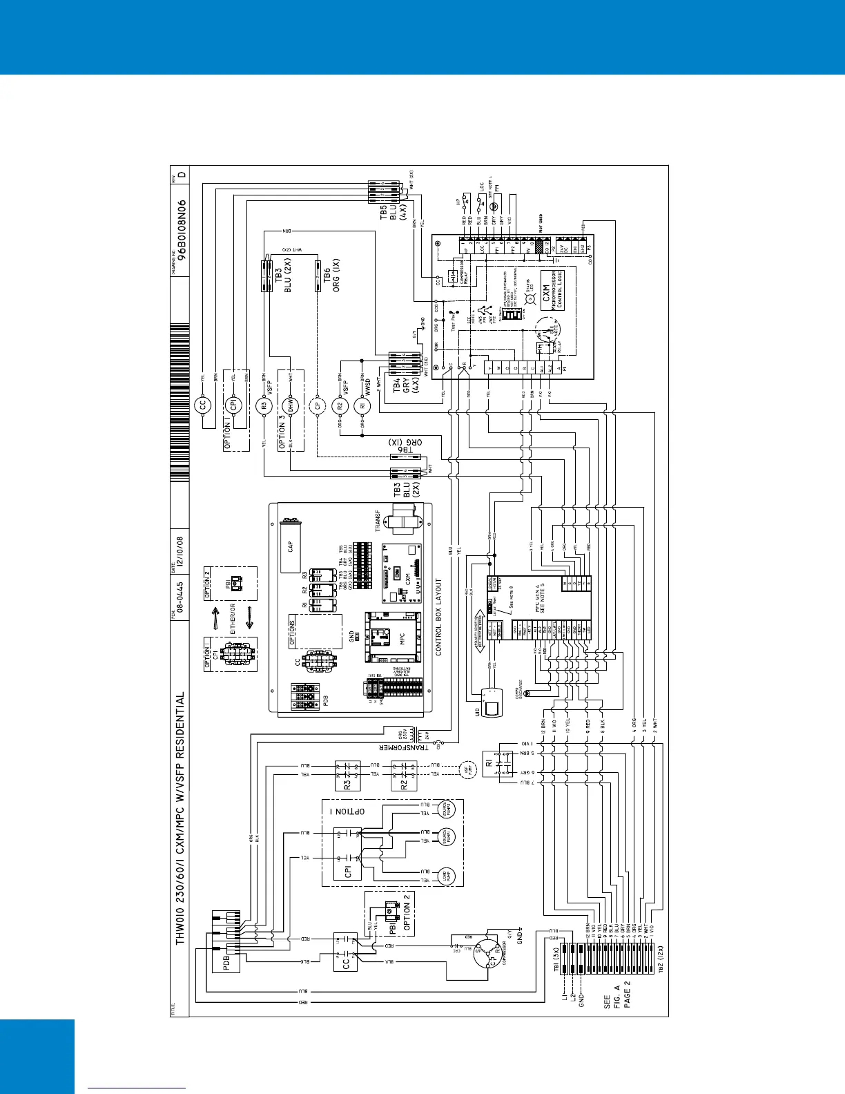
THW010 Electrical Wiring Diagram - 230/60/1
VSFP - 96B0108N06

Related product manuals