EasyManua.ls Logo

Coffee Queen A-2 - HVA;HVM 3-Phase Electrical Schematic

Coffee Queen A-2
84 pages
Print Icon
To Next Page IconTo Next Page
To Next Page IconTo Next Page
To Previous Page IconTo Previous Page
To Previous Page IconTo Previous Page
Loading...
FILTERBREW & SERVING CONCEPT
35
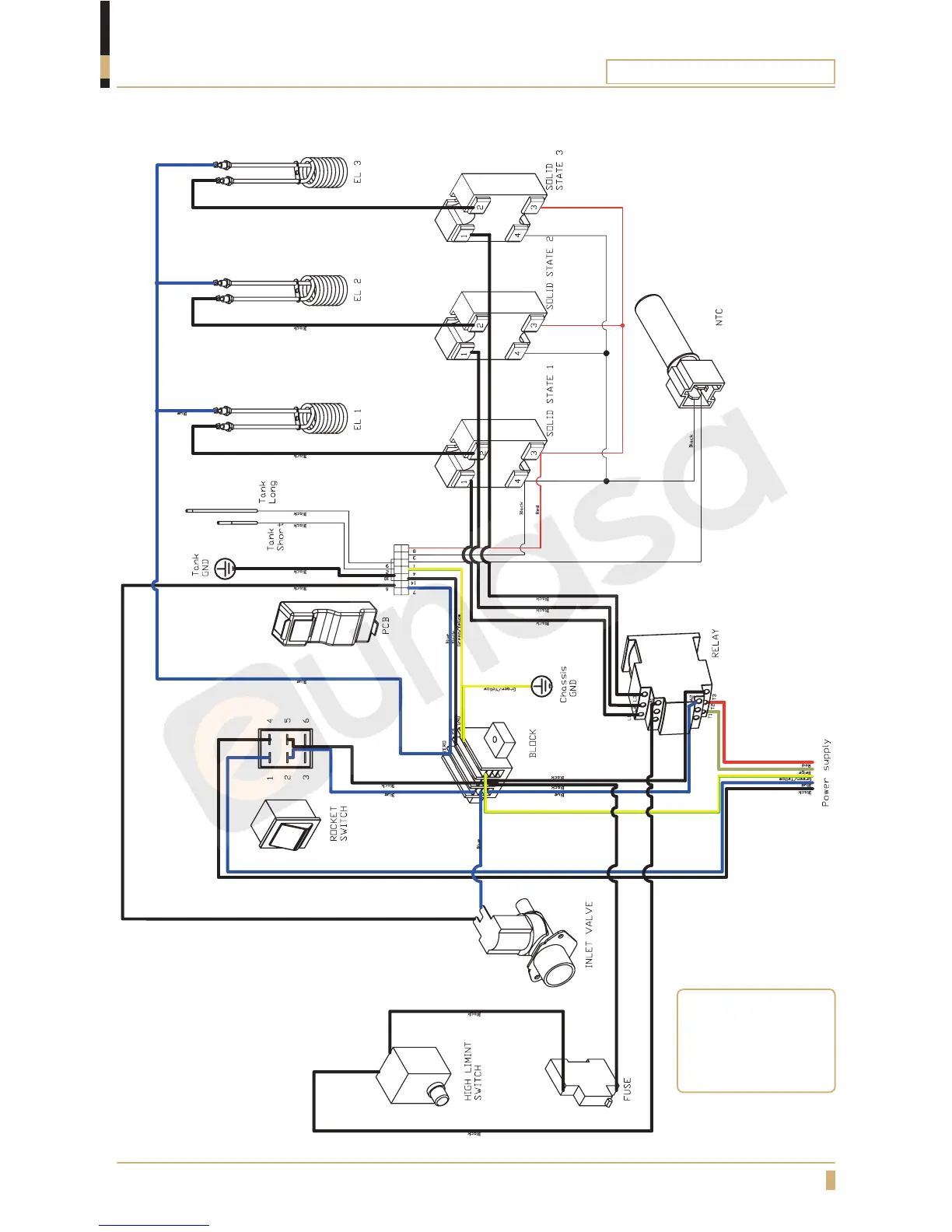
ELECTRICAL SCHEMATICS
HVA/HVM 3-Phase
Black
Black
Black
Red
Red
Blue
Blue
Note:
- Thick wire ≥ 100V
(Black, Blue wire)
- Thin wire ≤ 24V

Other manuals for Coffee Queen A-2

Related product manuals