EasyManua.ls Logo

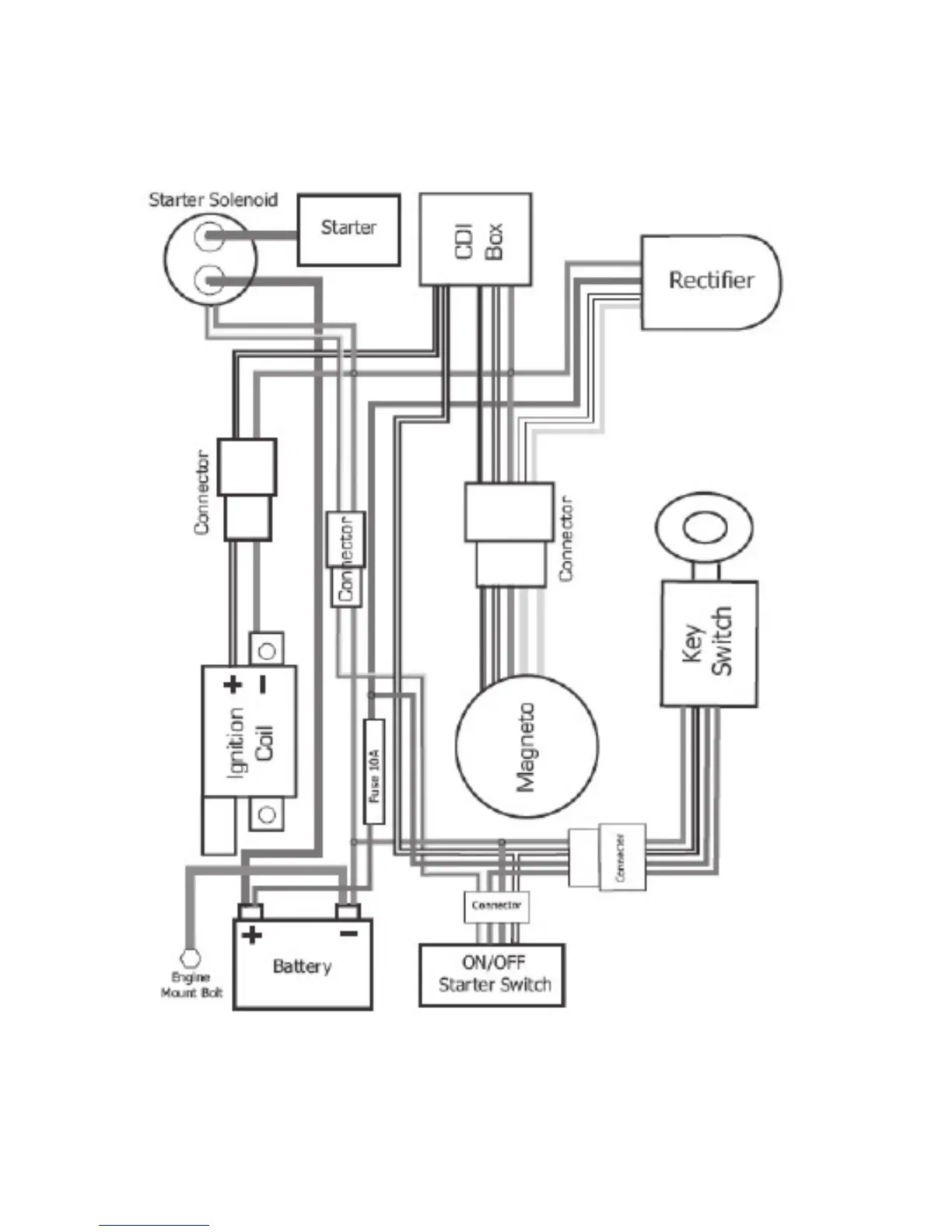
Coleman DB70 - Electric Diagram

Coleman DB70
41 pages
Print Icon
To Next Page IconTo Next Page
To Next Page IconTo Next Page
To Previous Page IconTo Previous Page
To Previous Page IconTo Previous Page
Loading...
Electrical Diagram
33

Related product manuals