EasyManua.ls Logo

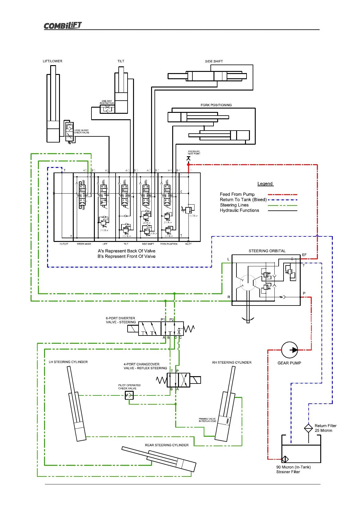
CombiLift C2500CB - 7.3 Steering & Hydraulic Functions Circuit

Default Icon
127 pages
Print Icon
To Next Page IconTo Next Page
To Next Page IconTo Next Page
To Previous Page IconTo Previous Page
To Previous Page IconTo Previous Page
Loading...
Technical
113
C2500CB-OM-EN-16
7.3 Steering & Hydraulic Functions Circuit

Table of Contents

Related product manuals