EasyManua.ls Logo

Comelit MT SB 01 - Page 83

Comelit MT SB 01
Print Icon
To Next Page IconTo Next Page
To Next Page IconTo Next Page
To Previous Page IconTo Previous Page
To Previous Page IconTo Previous Page
Loading...
MT SB 01
MT SB 0179
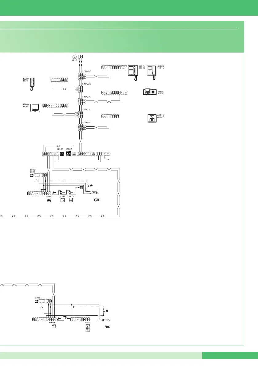
Impianto videocitofonico Simplebus Color con 2 ingressi principali, 3 secondari audio e centralino di portineria.
* Pulsante comando apriporta locale
* Local lock-release button
Simplebus Color video entry phone system with 2 main inputs, 3 secondary audio inputs and porter switchboard.
* Bouton commande ouvre-porte local
Installation parlophonique et visiophonique Simplebus Color avec 2 entrées principales, 3 secondaires audio et standard de conciergerie.

Table of Contents

Related product manuals