EasyManua.ls Logo

Commodore Computers 1541 - Schematic

Default Icon
58 pages
Print Icon
To Next Page IconTo Next Page
To Next Page IconTo Next Page
To Previous Page IconTo Previous Page
To Previous Page IconTo Previous Page
Loading...
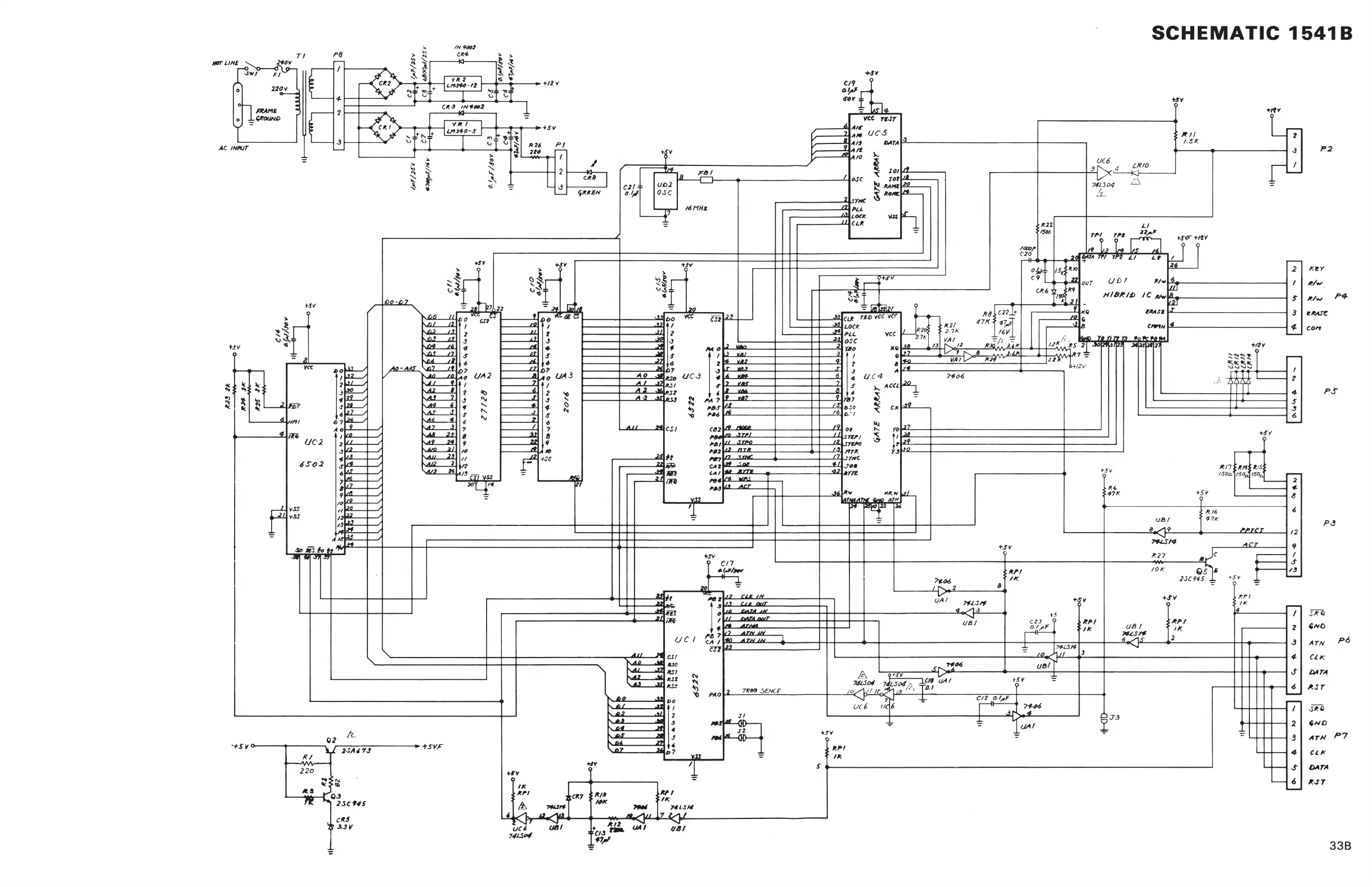
SCHEMATIC 1541B
HOT UNE
AC INPUT
33B