EasyManua.ls Logo

Commodore Computers 1541 - Page 49

Default Icon
58 pages
Print Icon
To Next Page IconTo Next Page
To Next Page IconTo Next Page
To Previous Page IconTo Previous Page
To Previous Page IconTo Previous Page
Loading...
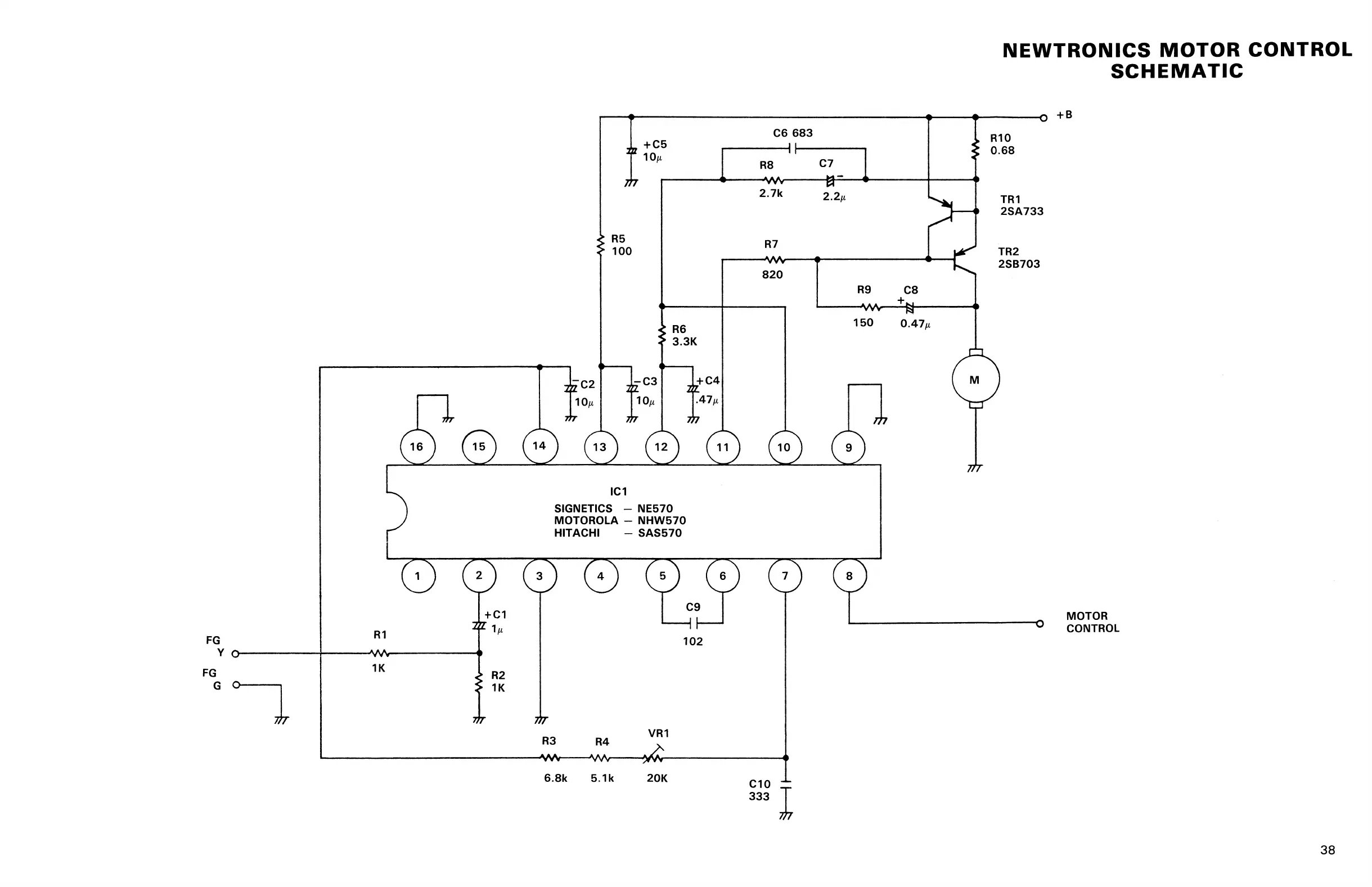
NEWTRONICS MOTOR CONTROL
SCHEMATIC
+ B
MOTOR
CONTROL
38