EasyManua.ls Logo

Commodore Computers 1541 - Page 55

Default Icon
58 pages
Print Icon
To Next Page IconTo Next Page
To Next Page IconTo Next Page
To Previous Page IconTo Previous Page
To Previous Page IconTo Previous Page
Loading...
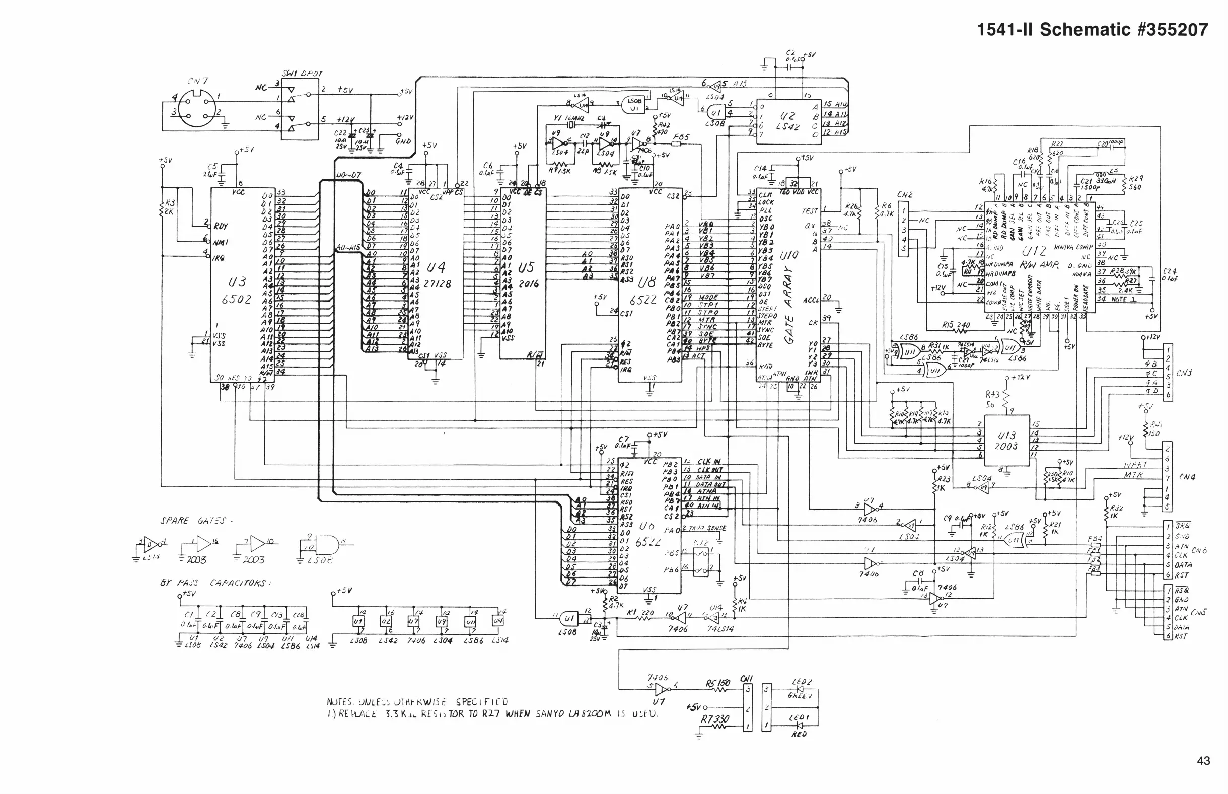
1541-11 Schematic #355207
SKI Ofior
ezt
OKf
ar r-Ass
ssy
Cf]_ 7I]_ rs]_ r?]_ ««1
X w
isob
02
iS42
07 07 oo OK
7406 iSOO iS86 i$K
NOTES. OW L ESS u » T H k K W /5 t S P E C I F I E D
l.) /? E lr U \u t 5 .3 K j l RE S o TOR TO R 1 7 W H EW ShUYO LA &IOOH 15 U S E D .
A£0
43