EasyManua.ls Logo

ComNav 2001 - Installation Instructions; Interconnection Diagram

ComNav 2001
69 pages
Print Icon
To Next Page IconTo Next Page
To Next Page IconTo Next Page
To Previous Page IconTo Previous Page
To Previous Page IconTo Previous Page
Loading...
ComNav 2001 Autopilot System
P/N 29010017 V1.0 - 13-
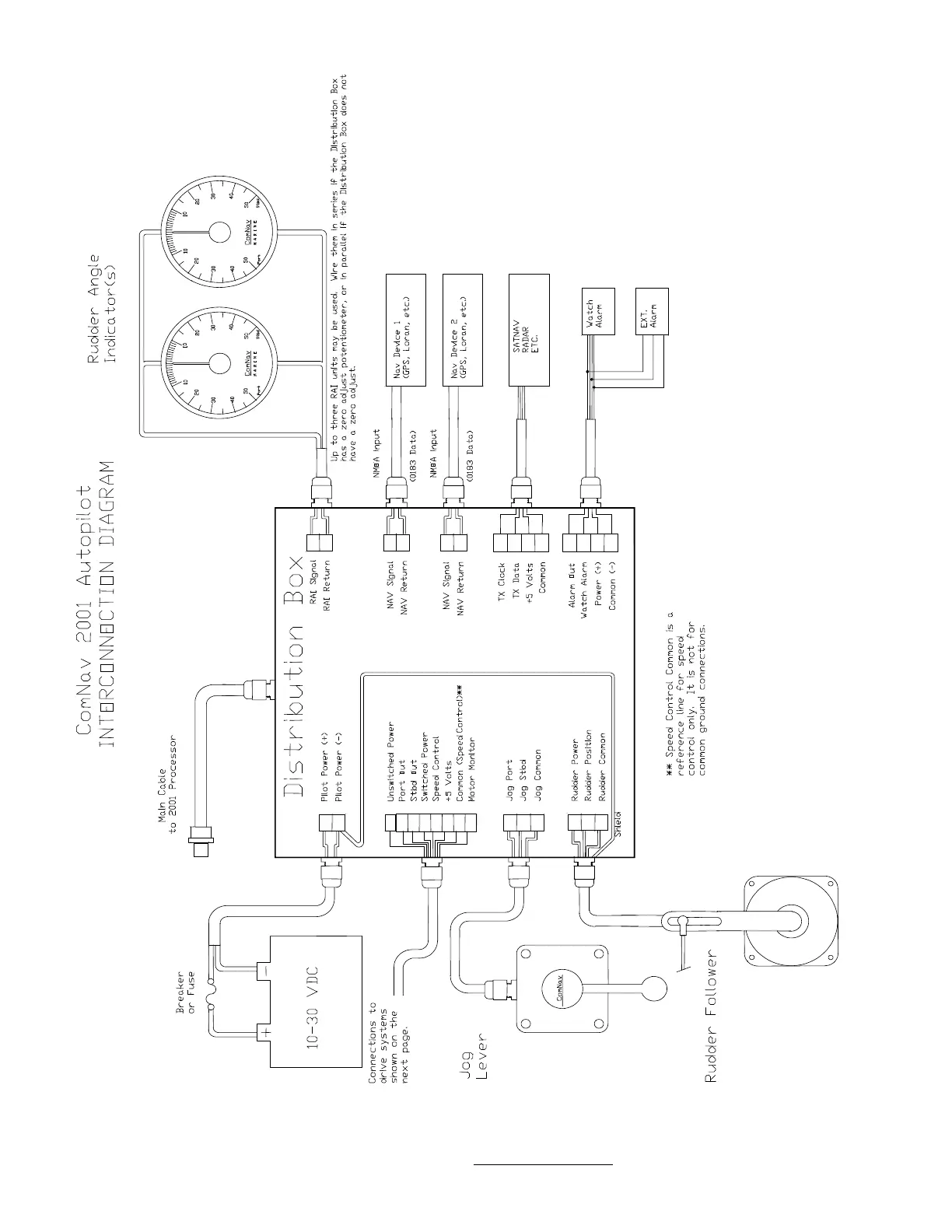
Figure 2 - 2001 AUTOPILOT INTERCONNECTION DIAGRAM
IMPORTANT DISTRIBUTION BOX TERMAIL #9 IS A REFERENCE ONLY, IT IS NOT NEGATIVE POWER

Related product manuals