EasyManua.ls Logo

ComNav 2001 - Page 34

ComNav 2001
69 pages
Print Icon
To Next Page IconTo Next Page
To Next Page IconTo Next Page
To Previous Page IconTo Previous Page
To Previous Page IconTo Previous Page
Loading...
ComNav 2001 Autopilot System
P/N 29010017 V1.0 - 34-
8. If the starboard (green) key comes on
after the port key goes off, the
PREDICTOR MAGNITUDE is set too
low. Turn it clockwise a 1/4 turn.
Adjust and check the adjust position until
the rudder can return to its original
position without the port key blinking or
the starboard key coming on at all.
Double check your work by pressing the
red dodge key for several seconds and
releasing it. The rudder should return to
its original position without the starboard
key blinking, or the port key coming on
at all.
IF YOU CANNOT MAKE THE RUDDER
RETURN SMOOTHLY TO IT'S POSITION:
1. Set the PREDICATOR MAGNITUDE
fully clockwise.
2. Turn the DEAD BAND adjustment
clockwise the minimum amount needed
to stop the back and forth movement of
the rudder. This type of movement is
called "hunting".
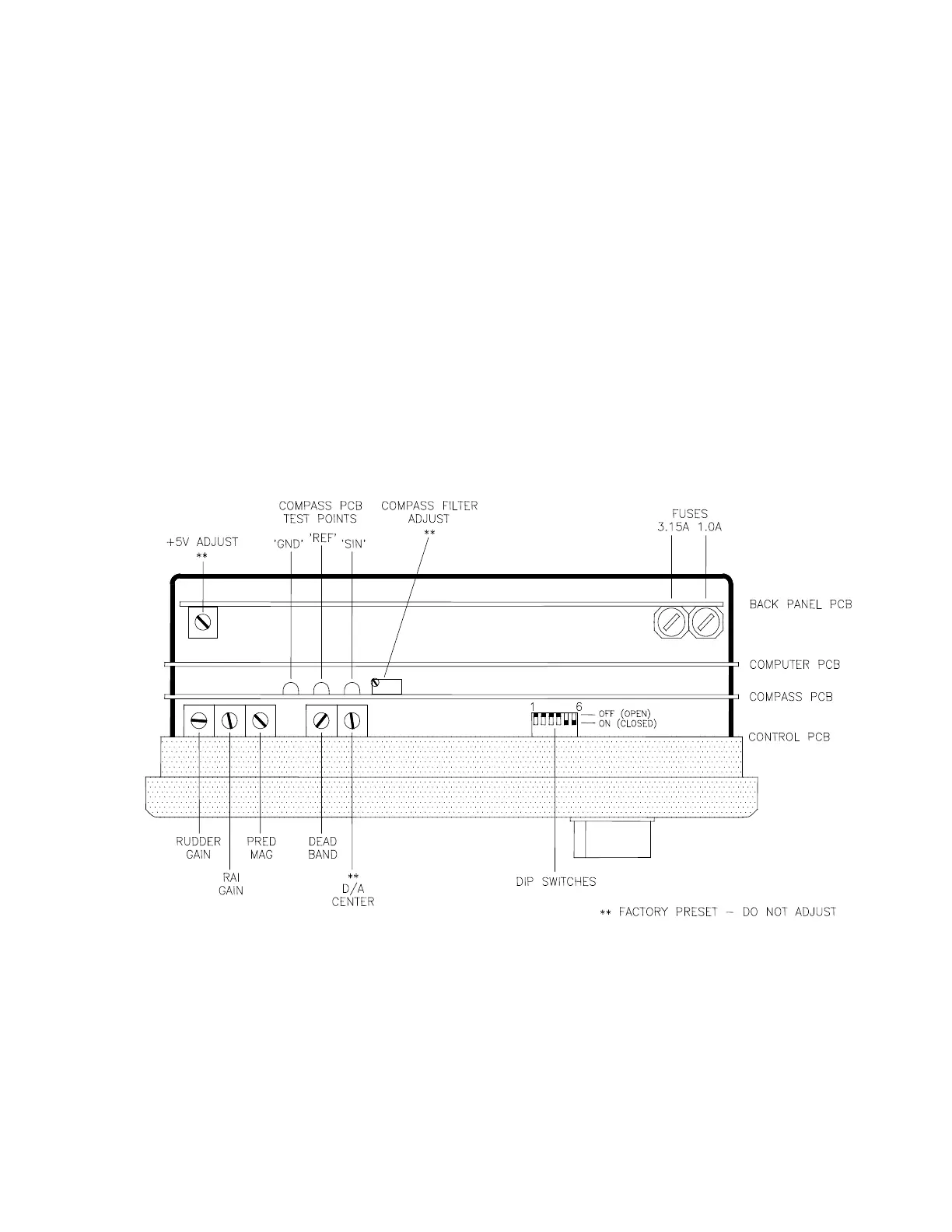
Figure 7 - AUTOPILOT INTERNAL ADJUSTMENTS

Related product manuals