EasyManua.ls Logo

Conair Thermolator TW-2 - How it Works: Isolated Circuit (IC) Models

Conair Thermolator TW-2
116 pages
Print Icon
To Next Page IconTo Next Page
To Next Page IconTo Next Page
To Previous Page IconTo Previous Page
To Previous Page IconTo Previous Page
Loading...
HOW IT WORKS:
I
SOLATED CIRCUIT
UGH025-0504 Thermolator TW Series
DESCRIPTION 2-5
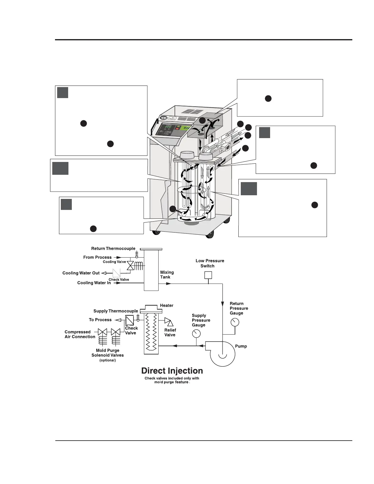
Isolated Circuit models maintain the process temperature
by electrically heating and indirectly cooling fluid in the
process circuit. The process fluid, which is stored in a
reservoir, is isolated from cooling water supplied by a
chiller, tower or other source.
A
B
The temperature of the
process fluid is measured
as it leaves the unit’s
heater tank. The fluid then
flows through the “To
Process” line to the mold
or process. The fluid
returns to the unit through
the “From Process” line
for reheating or cooling.
1
A
B
C
D
If the process temperature
is below the setpoint, the
heater elements inside the
heater tank are energized.
E
4
The pump moves water
from the mixing tank to
the heater tank.
Pressure is measured
after the pump .
E
The temperature of
the process fluid is
measured as it flows
into the cooling tank
through the “From
Process” line .
2
B
If the temperature is
above the setpoint
value, the cooling valve
opens. Cool water
enters the cooling piping
and circulates through a
tube heat exchanger to
cool the process fluid.
C
G
The vent line allows warm
process fluid to expand to the
reservoir . The reservoir
supplies process fluid through
a make-up line as needed.
G
3b
3a

Table of Contents

Related product manuals