EasyManua.ls Logo

Control Techniques Unidrive 1 Series - Page 125

Control Techniques Unidrive 1 Series
208 pages
Print Icon
To Next Page IconTo Next Page
To Next Page IconTo Next Page
To Previous Page IconTo Previous Page
To Previous Page IconTo Previous Page
Loading...
Safety
Information
Product
Information
Mechanical
Installation
Electrical
Installation
Getting
Started
Menu 0
Running
the motor
Optimisation Macros
Advanced
Parameters
Technical
Data
Diagnostics
UL Listing
Information
Unidrive User Guide 125
Issue Number: 9 www.controltechniques.com
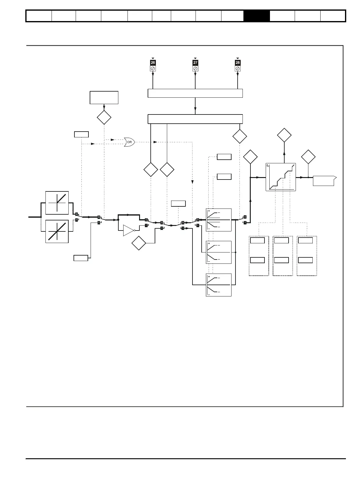
Jog
reference
Bipolar
reference
select
Jog selected
indicator
Menu 6
Sequencer
1.10
1.05
1.13
Pre-filter
reference
Pre-ramp
reference
Maximum
freq./speed
"clamp"
Minimum
freq./speed
"clamp"
(Maximum
reverse
freq./speed)
Negative
minimum
speed
select
Reference
enabled
indicator
Reverse
selected
indicator
Skip freq./
speed 1
Reference in skip
freq./speed band
indicator
Velocity
feed-forward
reference
Feed-forward
selected
indicator
1.12
x(-1)
1.39
1.40
1.08
[1.06]
[1.07]
[1.07]
[1.06]
[1.06]
[1.06]
[1.06]
[1.07]
1.06
1.07
1.11
Sequencer (Menu 6)
1.02 1.03
Menu 2
Skip freq./
speed 2
Skip freq./
speed 3
Skip freq. 1
speed band
1, 2, 3
Skip freq. 2
speed band
1, 2, 3
Skip freq. 3
speed band
1, 2, 3
1.29
1.30
1.31
1.32
1.33
1.34
1.35
Menu 8
JOG RUN FORWARD RUN REVERSE

Table of Contents

Related product manuals