EasyManua.ls Logo

Control Techniques Unidrive 1 Series - Menu 2: Ramps (accel.; decel.)

Control Techniques Unidrive 1 Series
208 pages
Print Icon
To Next Page IconTo Next Page
To Next Page IconTo Next Page
To Previous Page IconTo Previous Page
To Previous Page IconTo Previous Page
Loading...
Safety
Information
Product
Information
Mechanical
Installation
Electrical
Installation
Getting
Started
Menu 0
Running
the motor
Optimisation Macros
Advanced
Parameters
Technical
Data
Diagnostics
UL Listing
Information
128 Unidrive User Guide
www.controltechniques.com Issue Number: 9
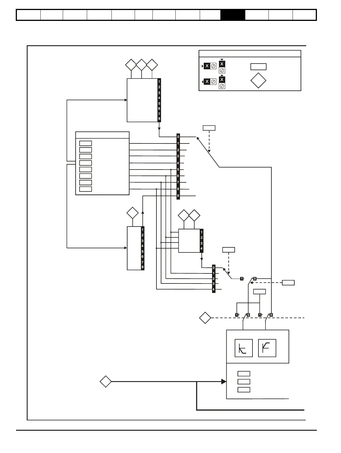
10.2 Menu 2: Ramps (accel. / decel.)
Figure 10-2 Menu 2 logic diagram
2.34 2.33 2.32
0 0 0
0 0 1
0 1 0
0 1 1
1 0 0
1 0 1
1 1 0
1 1 1
Acceleration rate select bits
2.11
Acceleration rate 1
Fwd Acceleration rate 1
2.12
Acceleration rate 2
Fwd Acceleration rate 2
2.13
Acceleration rate 3
Fwd Acceleration rate 3
2.14
Acceleration rate 4
Fwd Acceleration rate 4
2.15
Acceleration rate 5
Rev. Acceleration rate 1
2.16
Acceleration rate 6
Rev. Acceleration rate 2
2.17
Acceleration rate 7
Rev. Acceleration rate 3
2.18
Acceleration rate 8
Rev. Acceleration rate 4
Acceleration rates 1 ~ 8
1.50
3
4
1
2
7
8
5
6
Preset reference
selected indicator
2.39 2.38
0 0
0 1
1 0
1 1
Reverse acceleration
rate select bits
2.19
Jog acceleration
rate
1.13
Jog selected
indicator
2.09
1.03
Pre-ramp speed
reference
2.03
Ramp hold enable
2.04
Ramp mode
selector*
2.05
Ramp rate
range select
N
t
N
t
Acceleration
Reverse
accel. rate
Forward
accel. rate
Ramp control
Reverse acceleration
and deceleration select
2.30
Rev acceleration
selector
2.10
Forward acceleration
selector
0.XX
0.XX
Key
Read-write (RW)
parameter
Read-only (RO)
parameter
Input
terminals
Output
terminals
The parameters are all shown at their default settings

Table of Contents

Related product manuals