EasyManua.ls Logo

Control Techniques Unidrive 1 Series - Page 136

Control Techniques Unidrive 1 Series
208 pages
Print Icon
To Next Page IconTo Next Page
To Next Page IconTo Next Page
To Previous Page IconTo Previous Page
To Previous Page IconTo Previous Page
Loading...
Safety
Information
Product
Information
Mechanical
Installation
Electrical
Installation
Getting
Started
Menu 0
Running
the motor
Optimisation Macros
Advanced
Parameters
Technical
Data
Diagnostics
UL Listing
Information
136 Unidrive User Guide
www.controltechniques.com Issue Number: 9
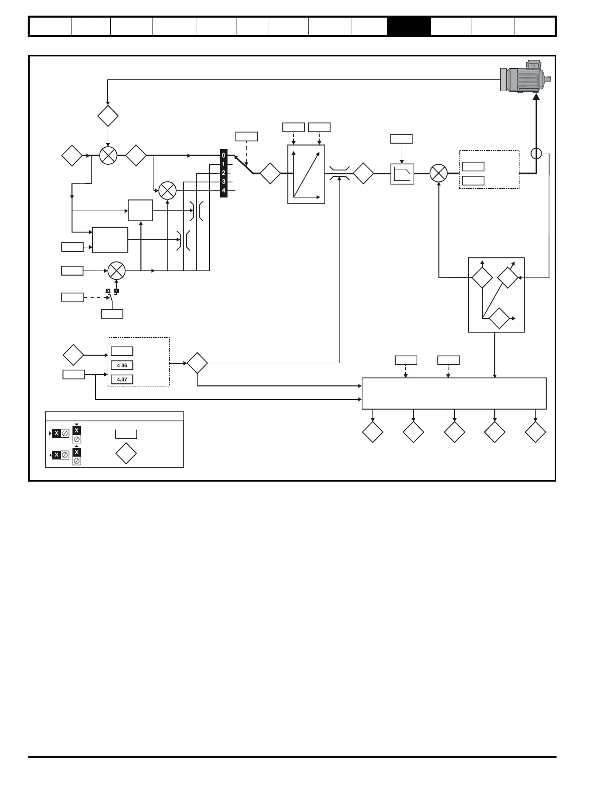
Figure 10-6 Menu 4 Closed-loop vector logic diagram
* For more information, please refer to section 10.22.3 Torque
Modes on page 183.
** For more information, please refer to section 10.22.5 Mains loss
modes on page 185.
4.04
Current
demand
4.12
Filter time
constant
Filter
+
_
3.04
+
3.01
3.02
4.08
4.09
10.0910.08
4.15 4.16
4.13
4.14
Current loop
P gain**
Current loop
I gain**
Current controller
4.18
11.32
5.07
4.05
Motoring
Regenerating
Current limits
Symmetrical
Drive rated
continuous
current
Motor rated
current
Speed
feedback
Final
speed
demand
+
Over-riding
current limit
3.05
Zero
speed
threshold
Speed loop
output
Torque reference
offset
Torqu e
reference*
Speed
over-ride
level
Coiler/uncoiler
speed
over-ride
level
+
Motor thermal
time constant
Motor protection
mode
At 100%
load
indicator
Current limit
active
indicator
5.07 5.10
Motor
rated
power
factor
Motor
rated
current
Active
current
Current
magnitude
Magnetising
current
4.02
4.20
- Active
current
(Amp)
- Percentage
torque
current
4.02
4.20
4.17
4.01
10.174.19
Motor
overload
accumulator
Motor current
overload alar
m
indicator
10.39
Braking energy
overload
indicator
Torque mode
selector*
4.11
4.10
To rq u e
reference
offset
enable
+
+
+
4.03
Torque
demand
0.XX
0.XX
Key
Read-write (RW)
parameter
Read-only (RO)
parameter
Input
terminals
Output
terminals
The parameters are all shown at their default settings

Table of Contents

Related product manuals