EasyManua.ls Logo

Control Techniques Unidrive 1 Series - Page 177

Control Techniques Unidrive 1 Series
208 pages
Print Icon
To Next Page IconTo Next Page
To Next Page IconTo Next Page
To Previous Page IconTo Previous Page
To Previous Page IconTo Previous Page
Loading...
Safety
Information
Product
Information
Mechanical
Installation
Electrical
Installation
Getting
Started
Menu 0
Running
the motor
Optimisation Macros
Advanced
Parameters
Technical
Data
Diagnostics
UL Listing
Information
Unidrive User Guide 177
Issue Number: 9 www.controltechniques.com
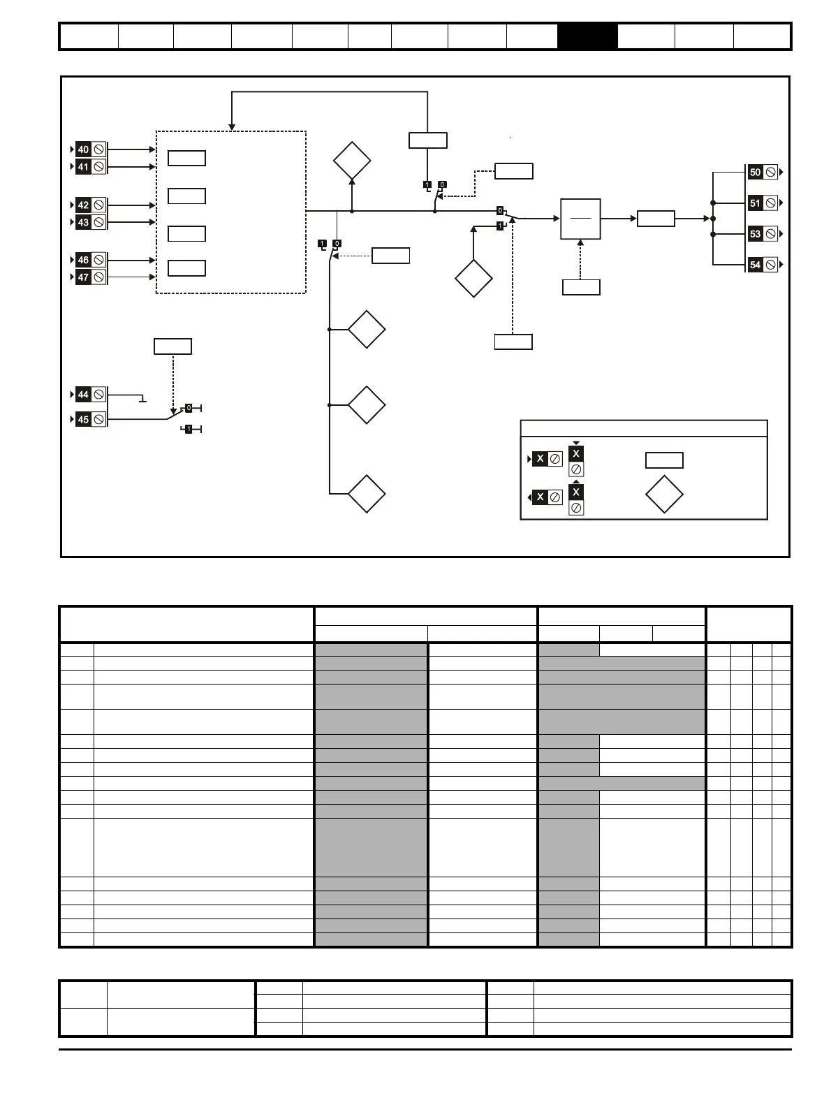
Figure 10-25 Menu 16 UD52 logic diagram
UD52 SINCOS small option module parameter list
3.26
Encoder 1
rpm
16.09
SINCOS encoder
phase offset
6
6
SIN in
SIN ref
COS in
COS ref
16.07
16.08
6
6
A(F)
/
A(/F)
B(D)
/
B(/D)
1
2
[16.07]
Simulated-encoder
F/D output enable
Simulated-encoder
output scaling
16.02
SINCOS
encoder rpm
16.11
SINCOS encoder
update disable
16.03
SINCOS encoder
revolution count
16.04
SINCOS encoder
incremental
position (coarse)
16.05
SINCOS encoder
incremental
position (fine)
0.XX
0.XX
Key
Read-write (RW)
parameter
Read-only (RO)
parameter
Input
terminals
Output
terminals
The parameters are all shown at their default settings
6
SC data
SC data
16.14
SINCOS
as auxiliary
encoder
16.10
SINCOS encoder
phasing test
16.15
SINCOS encoder
voltage
select
16.12
SINCOS encoder
No. of lines per
revolution
16.13
SINCOS encoder
No. of revolutions
16.14
SINCOS as
reference encoder
16.16
SINCOS encoder
serial comms. disable
6
0V
5.15V
8.0V
Parameter
Range(
Ú) Default(Ö)
Type
OL CL OL VT SV
16.01
Option module code 0 to 100 4ROUniP
16.02 SINCOS encoder rpm ±30,000 rpm RO Bi P
16.03 SINCOS encoder revolution count 0 to 32,767 revolutions RO Uni P
16.04 SINCOS encoder position
0 to 16,383 revolutions/
16,384
RO Uni P
16.05 SINCOS encoder position fine
0 to 255 revolutions/
4,194,304
RO Uni P
16.06 SINCOS encoder 1 output select 0 or 1 0RWBit
16.07 SINCOS encoder output scaling 0 to 15 (power of 2) 0RWUni
16.08 F/D output select 0 or 1 0RWBit
16.09 Phasing offset 0 to 6143 RW Uni S P
16.10 SINCOS encoder phasing test 0 or 1 0RWBit
16.11 Update disable 0 or 1 0RWBit
16.12 Number of encoder lines per revolution
256 (0), 512 (1),
1024 (2), 2048 (3),
4096 (4)
encoder lines per
revolution
512 (1) RW Uni
16.13 Number of encoder turns 0 to 15 (power of 2) 0RWUni
16.14 SINCOS as auxiliary encoder 0 or 1 0RWBit
16.15 SINCOS encoder supply voltage select 0 or 1 0RWBit
16.16 Serial comms disable 0 or 1 0RWBit
16.17 Interpolation disable 0 or 1 0RWBit
RO Read Only parameter
Uni Unipolar variable parameter R Reset required for new value to take effect
Bi Bipolar variable parameter S New parameter-value saved at power-down
RW Read / Write parameter
Txt Text variable parameter P Protected; forbidden as destination parameter
Bit Bit parameter FLC Full-load current (max. continuous)

Table of Contents

Related product manuals