EasyManua.ls Logo

Corken D791 - Page 48

Corken D791
52 pages
Print Icon
To Next Page IconTo Next Page
To Next Page IconTo Next Page
To Previous Page IconTo Previous Page
To Previous Page IconTo Previous Page
Loading...
1
2
3
4
5
6
7
10
4
30
54
29
31
52
53
27
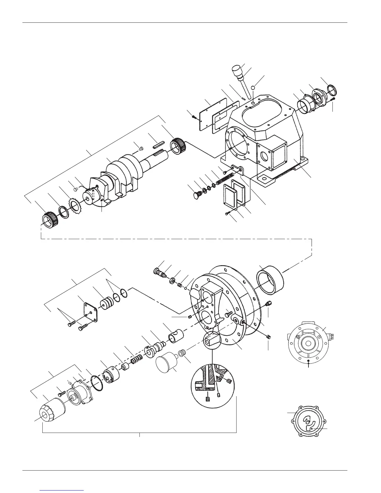
63 (Pipe plug on under side of
crankcase is not shown)
8
21
17
16
37
38
39
41
40
15
54
14
18
19
20
22
23
24
25
26
9
11
12
13
5
33
34
35
43
44
45
46
47
48
42
51
49
56
50
36
32
59
55
33
60
62
42
28
55
61
(Includes all parts shown
except #52 and #53)
50
58
Inside of
Bearing Carrier
Pump Cover Oil/Filter
Adapter
Oil Passage Hole
Important! Line up hole in
gasket with oil passage hole.
Pumpside of adapter shown for
proper orientation of cover and
location of pump cover pin.
57
55
60
28
Appendix ECrankcase Assembly Details
48

Related product manuals