EasyManua.ls Logo

Craftsman 247.881721 - Page 36

Craftsman 247.881721
76 pages
Print Icon
To Next Page IconTo Next Page
To Next Page IconTo Next Page
To Previous Page IconTo Previous Page
To Previous Page IconTo Previous Page
Loading...
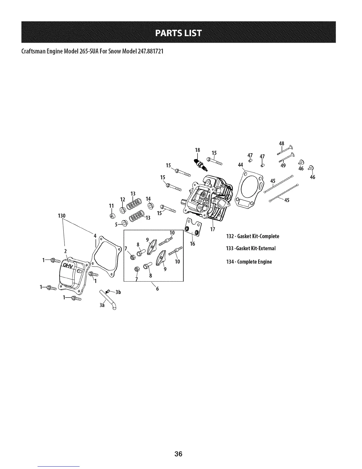
CraftsmanEngineModeJ265-SUAForSnowModeJ247.881721
48
15 44
13
10
\6
17
132- GasketKit-CompJete
133-GasketKit-External
134- CompleteEngine
36

Related product manuals