EasyManua.ls Logo

Cub Cadet Challenger 550 - Secondary Sheave

Cub Cadet Challenger 550
255 pages
Print Icon
To Next Page IconTo Next Page
To Next Page IconTo Next Page
To Previous Page IconTo Previous Page
To Previous Page IconTo Previous Page
Loading...
4‐23
Engine
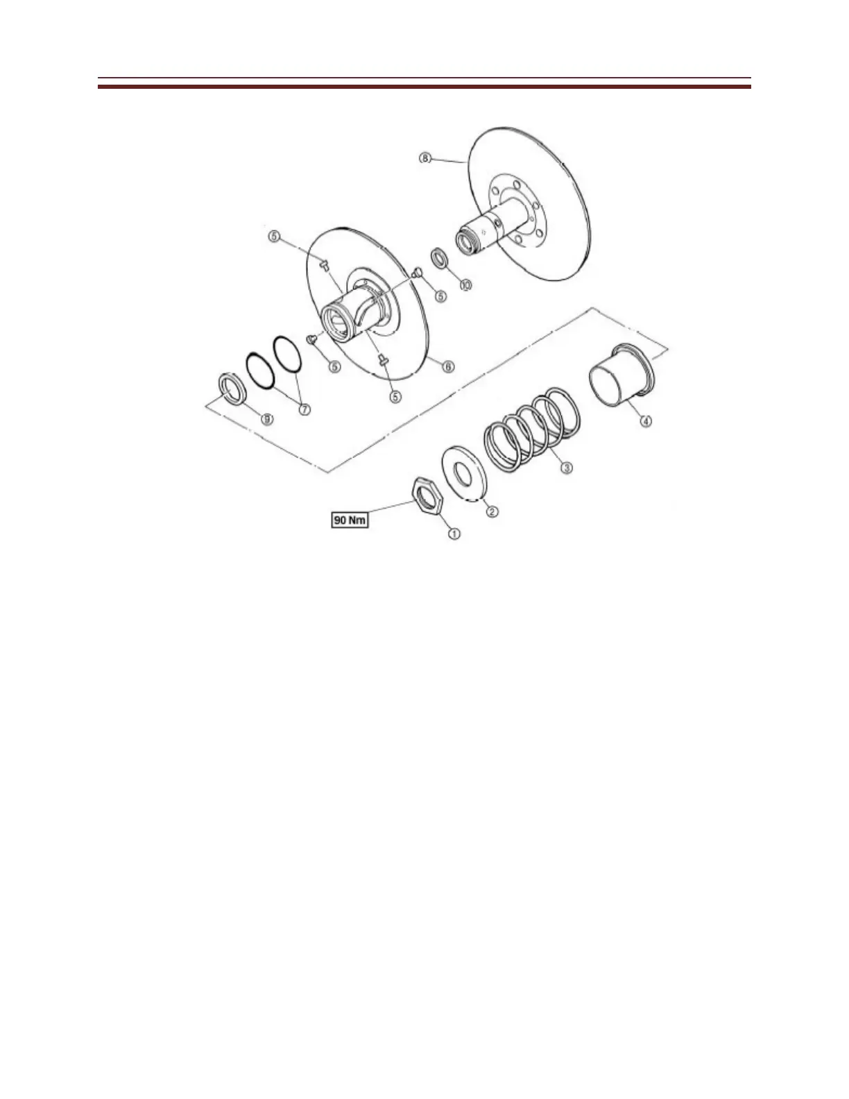
Secondary Sheave
No.
Part Name
Disassembly of the Secondary Sheave
Qty
Remarks
Remove the parts in the order
listed
1
Nut
1
2
Spring seat
1
3
Compression spring
1
4
Spring seat
1
5
Guide pin
4
6
Secondary sliding sheave
1
7
O-ring
2
8
Secondary fixed sheave
1
9
Oil seal
1
For installation, reverse the
10
Oil seal
1
order listed

Table of Contents

Related product manuals