EasyManua.ls Logo

Cub Cadet Challenger 550 - Page 181

Cub Cadet Challenger 550
255 pages
Print Icon
To Next Page IconTo Next Page
To Next Page IconTo Next Page
To Previous Page IconTo Previous Page
To Previous Page IconTo Previous Page
Loading...
5‐37
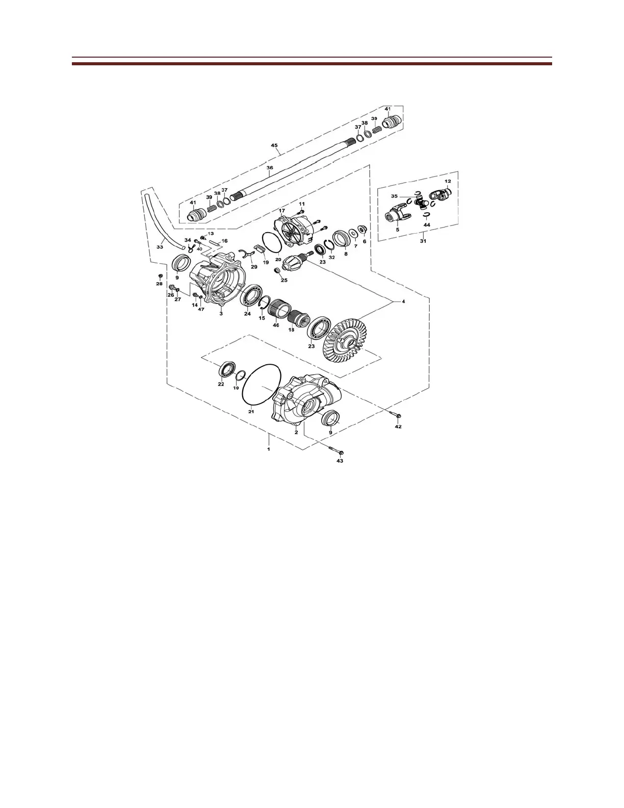
Chassis
Front Bridge
No.
36
Part Name
Front transmission shaft
Qty
1
Remarks
37
Cir clip D0=19
2
38
Cir clip 20×26×1
2
39 Spring 25×2.3×28
2
40
Hexagon flange bolt M8×28
6
41
Front dustproof rubber cover 19×38×50,
2
front transmission shaft
42
Hexagon flange bolt M10×1.25×30
2
43 Hexagon flange bolt M10×1.25×142
1
44 Block ring
4
45 Front transmission shaft comp
1
46 Sliding sleeve
1
47
O-ring 1.5×9
1

Table of Contents

Related product manuals